DVD, DVBT etc am NX.....so gehts...! oder : wir bauen uns ein Multimediainterface...

  • Hi

    Mein kleines Projekt ist nun endlich vollendet......DVD schauen im NX , und während der Fahrt ......

    Ihr braucht :
    1 x Nx vom Mondeo
    1 x Nx vom Kuga , Focus oder sonstwas , hauptsache Fakra RFK eingang....
    5 Relais
    Platine
    Chinchbuchsen zum löten
    Lötkolben
    jede menge kabel
    Nerven


    Als erstes muss das Herz des NX Transplantiert werden....d.h , Das NX besteht aus 3 Teilen , Radioeinheit , Displaycontroller und Frontplatte...
    mann nehme Frontplatte vom Mondeo , Displaycontroller vom Kuga , Radioeinheit vom Kuga.......
    Das alles zusammenbauen...
    beim Einbau muss noch am Quadlock-Stecker Block A Pin 14 belegt werden....zwecks beleuchtung....

    Schon hat mann einen RFK eingang....

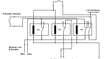
    Um das Ganze nun auch während der Fahrt zu genießen , muss mann dem NX mitteilen , Rückwärtsgang ist eingelegt...
    siehe schaltpläne unten....

    Im endeffekt ist die funktion folgende :
    ich kann den "multimedia" schalter betätigen und das bild vom DVD Player kommt im NX , Die Videoweiche wird benötigt um während des Rückwärtsfahren auch die kamera auf dem schirm zu haben...
    netterweise hat das NX keine Bildabschaltung , deshalb ist sowas erst möglich...

    Fehlfunktion traten bisher keine auf....alles funktioniert wie gewünscht....


    Letztendlich haben C1500 und ich ewig nach einer anderen lösung gesucht....die gibts bisher nicht .....

    MFG
    Arni

  • Respekt!!!! Ich bin immer wieder erstaunt, was manche aus den "Orginalen" Teilen rausholen und sich dafür unmengen Gedanken und Arbeit machen.

    Echt Super Arbeit und ich hoffe es treten keine Fehler etc auf, damit sich eure Arbeit auch wirklich gelohnt hat!!

    :thumbup:

    Gruß
    Flash

  • Hi

    Das war eher die kurzfassung...war gestern den ganzen tag damit beschäftigt....hatte dann eher wenig lust noch nen ausführlichen beitrag zu schreiben....

    Die größte befürchtung , die sowohl ich als auch peer hatten war a- Das das Nx ne Bildabschaltung hat , und dass bei obiger lösung die Elektronik total verrückt spielt , aufgrund dessen das ja dem Can-bus mitgeteilt wird das der Rückwärtsgang eingelegt ist...das hätte Theoretisch ABS ASR ESP , Tacho , Navi PDC usw. lahmlegen können....da mann ja z.b 100 km/h fährt , Can-Bus aber sagt - Rückwärts.....

    Dem ist aber nicht so....Dem Mondeo ist es völlig wurscht ob ich 100 km/h vorwärts oder rückwärts fahre....
    Und ne Bildabschaltung gibts auch nicht , da das NX nie für externe Videoquellen vorgesehen war...

    zu obigen Projekt.......Ich hatte ja keinen RFK eingang......daher die NX schlachterei....Möglich war das erst durch die unterstützung von Peer (C1500 )
    er hat den umbau nämlich schon vollzogen und konnte so wertvolle tipps liefern.....denn er hat sein lehrgeld schon gezahlt...in form eines gegrillten NX...
    Aber er wird glaub noch einigs dazu schreiben... :D

    Ich hatte das NX von nem 2011er Kuga genommen....hat ettliche vorteile.....SD Navi , ausgereiftere Benutzeroberfläche , es ist deutlich schneller , und einfach von der Aufmacung hübscher....z.b die pop-up fenster bei der klimabetätigung.. , sowie die Aluknöpfe....und noch wichtig , alles funktioniert.....auch außentemp , Sound-system , klimaautomatik in vollem umfang.....

    Praktisch ist natürlich auch wer das sound und connect hat und ein handy mit videoausgang.....dann kann die ganze sache auch über das nx , bzw. lenkrad bedient werden....

    Wer natürlich schon nen RFK eingang hat , der braucht einfach nur die obigen zwei schaltungen umsetzen....Materialkosten höchstens 20€
    und die sache ist erledigt...


    MFG
    Arni

  • Wenn ich also ein aktuelle Navi mit SD Karte habe brauche ich nichts umbauen sondern einfach nur die gebastelte Mediabox an den Kameraeingang anschliessen
    ?
    In der Theorie hatte ich mir sowas auch schon überlegt, einen Umschalter kann man aber doch auch kaufen oder ??

  • Wenn ich also ein aktuelle Navi mit SD Karte habe brauche ich nichts umbauen sondern einfach nur die gebastelte Mediabox an den Kameraeingang anschliessen
    ?
    In der Theorie hatte ich mir sowas auch schon überlegt, einen Umschalter kann man aber doch auch kaufen oder ??

    Hi

    Prinzipiell ja......aber nicht in der Form....
    Meine Videoweiche schaltet halt automatisch um sobald auf R geschaltet wird....
    Mit dem Innenraum schalter schaltest auf dauer R-Gang um , und die relaischaltung macht nichts anderes als alles lahm zu legen was mit eingelegtem R-Gang aktiviert wird.....

    MFG
    Arni

  • Hi Anri,
    wie geil, ich hätte echt nicht gedacht, das er keine Abschaltung hat.
    Somit hat mein Plan mit dem CAN-Microcontroller wieder Prio1

    Zwei Kleinigkeiten hätte ich anzumerken. ;)

    1: Für die Videoumschaltung reicht 1 Relais da man die Masse der Quellen verbinden kann.
    Somit wird auf den Ruhe-Eingang (Relais nicht angezogen) das DVD-Signal gelegt und auf den Aktiven (Relais angezogen) das Signal der RVC.

    2: MACH MAL DEIN ARMATURENBRETT SAUBER :D :D

    Eine Idee hab ich noch.
    Wenn sich irgendwie abfragen lassen würde, ob der LineIN angeschaltet ist könnte dieses Signal dann die Umschaltung machen.
    Sobald dann auf LineIN umgeschatet wird, würde Automatisch auf DVD geschaltet.

    Und noch ein paar Frage:
    1. Kommen die Einblendungen vom der Klima auch im Video-Betrieb?
    Gibts da dann auch das Overlay?

    2. Wo hast du den DVD-Player verbaut? bzw. wo machst du die Umschaltung zwischen DVD und RVC?
    Wenn du den DVD-Player im Kofferraum hast, hast du dann ein langes Kabel zum LineIN gelegt?

    3. Wie verhält sich das NX, wenn eine Anruf eingeht?
    Schaltet es auf Phone oder bleint das DVD-Bild?

    Nochmal riesigen dank für den Test mit dem Schalter.

    Gruß C1500

  • Hi

    @peer :
    Ich versuch die Fragen mal zu beantworten....

    Bei der Videoumschaltung war ich mir nicht so sicher ob das mit einer gemeinsamen masseleitung funktioniert....daher bin ich auf nummer sicher gegangen und hab zwei relais genommen.....

    Armaturenbrett wird noch sauber gemacht.....muss nur noch paar kleinigkeiten ändern.....hab immernoch ne Masseschleife auf der Rückfahrkamera.....

    Die Umschaltung zwischen RVC und DVD geht über die Videoweiche , angesteuert wird diese über die Rückfahrscheinwerfer , sprich , sobald Rückleuchte leuchtet , wird auf RVC umgeschaltet.....
    mit der Relaischaltung deaktiviere ich alles was im R-Gang aktiviert wird , und stelle sicher das bei Real eingelegtem R-Gang auch die Rückfahrscheinwerfer leuchten....deshalb wird auch automatisch auf RVC umgeschaltet...

    Die einblendungen von der Klima kommen im Video betrieb nicht....

    Die Telefongeschichte hab ich noch nicht getestet......mach ich heut abend...

    DVD Player sitzt aktuell im Handschuhfach.....

    Die line in umschaltung hab ich auch schon überlegt , und zwar in einer anderen Form , ne Schaltstufe die per Audiosignal angesteuert wird....
    der haken dabei ist , kehrst du aus dem Video betrieb z.b zum radio zurück , kommst dann nicht mehr in den video betrieb....außer dvd player aus und wider anschalten.....dann lieber mit dem schalter....
    abgesehen davon , ich nutze eher die bluetooth geschichte , finde ich praktischer , denn so kann ich das ganze über lenkrad und nx bedienen....
    Optimal wäre jetzt ein DVD Player mit bluetooth receiver.......aber sowas gibts warscheinlich nicht....


    MFG
    Arni

  • Die einblendungen von der Klima kommen im Video betrieb nicht....


    Das ist schade.

    Die Telefongeschichte hab ich noch nicht getestet......mach ich heut abend...


    OK, meld dich bitte ;)

    DVD Player sitzt aktuell im Handschuhfach.....


    Und die Umschatung-Box? Auch im Handschuhfach?
    Woher hast du dann die Spannung für die Rückfahrscheini´s?
    Aus dem Sicherungskasten unter dem Handschuhfach?

    Die line in umschaltung hab ich auch schon überlegt , und zwar in einer anderen Form , ne Schaltstufe die per Audiosignal angesteuert wird....
    der haken dabei ist , kehrst du aus dem Video betrieb z.b zum radio zurück , kommst dann nicht mehr in den video betrieb....außer dvd player aus und wider anschalten.....dann lieber mit dem schalter....
    abgesehen davon , ich nutze eher die bluetooth geschichte , finde ich praktischer , denn so kann ich das ganze über lenkrad und nx bedienen....
    Optimal wäre jetzt ein DVD Player mit bluetooth receiver.......aber sowas gibts warscheinlich nicht....


    Ne da wäre mir nix bekannt.
    Ich meinte das aber auch anders.
    Ich dachte an eine Spannung die vielleicht im SoundConnect anliegt, sobald am NX auf LinIN geschaltet wird.
    Sobald diese Spannung dann anliegt, schaltet das NX auf Video.
    Drückt man jetzt wieder auf Radio, kommt wieder der Radio-Bildschirm.
    Dann könnte man sogar über das Con+ auf LineIN und somit DVD bzw. DVB-t schalten.
    *träume*

    Gruß C1500

  • Hi

    Telefon grad getestet.....
    Wenn im videomodus ein Anruf kommt schaltet das NX auf den Phone screen um.....ist der Anruf beendet kehrt es wider zun video-modus zurück....
    also perfekt.....

    Die Umschalt-Box befindet sich hinter dem Hanschuhfach , nur der externe kleine schalter ist in der Mittelkonsole....
    da mach ich mal heut Abend ein Bild....

    Die spannung von den Rückfahrscheinis hab ich am hinteren Sicherungskasten abgegriffen.....vorne ist das Problem das die sicherung vor dem R-Gang Getriebeschalter sitzt....daher unbrauchbar...

    Die umschaltung mit line-In hört sich interessant an.....müsste mann mal messen....
    Ist das "Sound-connect" etwas physikalisch greifbares ? , gibts da irgendwie noch ne box / steuergerät oder ähnliches ?
    wenn ja wo ?
    wie schaut es mit der 5V versorgung vom USB aus ?....


    Frage am Rande...wie kommt ne masseschleife zustande ? und wie kann mann die beseitigen ?....alles auf den gleichen Massepunkt ziehen ?
    oder Massentechnisch die geräte miteinander verbinden ?

    MFG
    Arni

  • Ist das "Sound-connect" etwas physikalisch greifbares ? , gibts da irgendwie noch ne box / steuergerät oder ähnliches ?
    wenn ja wo ?
    wie schaut es mit der 5V Versorgung vom USB aus ?....


    Die Box schaut so aus:
    [Blockierte Grafik: http://www.meyerpower.de/SMax/BT_Modul.jpg]
    Müsste in Bereich des Handschuhfaches sein.

    USB wird uns nicht weiterhelfen, da dort schon eine Spannung anliegt, sobald der Wagen aufgesprerrt wird.
    bzw. Das NX mit Spannung versorgt wird.

    In wie weit da jetzt der LineIN dranhängt weis ich (noch) nicht.

    Frage am Rande...wie kommt ne masseschleife zustande ? und wie kann mann die beseitigen ?....alles auf den gleichen Massepunkt ziehen ?
    oder Massentechnisch die geräte miteinander verbinden ?


    Bei einer Masseschleife handelt es sich eigentlich um ein Potentialunterschied zwischen den Massepunkten

    Ja, auf alle Fälle immer alle Massepunkte miteinander verbinden.
    Am besten immer kurze Masseleitungen.

    Was die LineIN Spannung in der Box angeht ist da schon ne Anfrage raus ;)

    Gruß C1500

  • Hallo zusammen.

    Habe gerade jetzt erst aufmerksam gelesen was ihr da tolles geschafft habt. Bin total begeistert das sich damit jemand beschäftigt hat.

    :thumbup: Wirklich ganz großes Lob!!!

    Jetzt bin ich natürlich extrem scharf drauf das auch in die Tat umzusetzen. Könntest du (Arni) das eventuell genauer erklären, wie das

    ganze funktioniert? Habe die wichtigsten Komponenten zuhause... :)

    Wie hast du denn den Ton angesteckt? Über 3,5mm Klinke?

    Schonmal :dankeschild: für die Mühe

  • Hi Arni,
    da ich sehe das du so um meine Ecke wohnst
    würde mich sehr freuen wenn du mir vll helfen könntest :thumbup:

    vorallem aber müßt ich wissen ob du mir helfen würdest
    und was du genau brauchst ^^
    ich bin zwar nicht doof, aber vorsichtig bei sowas :whistling:
    weil bei mir immer erst alles erst kaputt geht bevor es vll dann doch funkt : :S

  • Hi,
    wie schon erwähnt tüftel ich gerade an einer CAN-Version des ganzen.

    Dem ACU vorzugaukeln das der R-Gang drin ist, ist meines Erachtens nicht so günstig.
    Im normal-Betrieb wird man vielleicht wirklich keine Änderung feststellen.
    Aber was ist z.B. mit dem ESP oder noch extremer mit den Airbags?
    Wenn das ACU meint das du mit 100km/h rückwärts fährst und es dann zu einem Unfall kommt,
    woher soll dann dann das ACU wissen, welcher Airbag ausgelöst werden soll?
    Auch ESP dürfte anders reagieren wenn es Versucht bei 100km/h Rückwärts zu regeln.

    Jetzt kommt als nächstes der Einwand, dass das ESP ja die Werte vom ABS bekommt. Richtig, AUCH! aber nicht ausschließlich!

    Ich habe meine Befürchtungen die ich hiermit äußere.

    Weder Arni und noch ich übernehmen irgendeine Verantwortung falls jemand auf die Idee kommt das nachzubauen!

    Also bitte etwas Geduld, es wird an einer Lösung gearbeitet.

    Gruß C1500

  • Hi

    Also Peer hat schon alles Wesentliche geschrieben.....

    Das was ich da gebaut hab , soll lediglich zeigen was und vorallem wie möglich ist.......
    Es war erst die Vorarbeit.....
    meine Schaltung überbrückt lediglich den R-Gang schalter.....

    Peer baut grad an der CAN lösung , und Paralel dazu bin ich immernoch auf der Suche nach nem Weg um
    das Display direkt anzusteuern......aber das dauert.....

    @boggy...
    ein Crailsheimer.......wenn bock hast können wir uns schon mal auf nen snack beim MC-Doof treffen...
    dann erklär ich dir alles , bzw alles was Peer und ich wissen....

    MFG
    Arni

  • @boggy...
    ein Crailsheimer.......wenn bock hast können wir uns schon mal auf nen snack beim MC-Doof treffen...
    dann erklär ich dir alles , bzw alles was Peer und ich wissen....

    MFG
    Arni

    Yo klar würde auf jeden kommen :D
    Vll Wochenede, den heut muß ich zum Tatto, morgen nach Löwenstein und am Donnerstag kommt mein "neuer" :D
    gib einfach bescheid wann zeit hast und dann schau ma :D hab urlaub im moment

  • Ok. Kann noch was warten. Aber bin jetzt ganz schön heiß drauf.

    @C1500
    Wieviel Zeit wird es denn in Anspruch nehmen in etwa?
    Die lösung von @Arni ist ja im Prinzip nichts anderes als andere Hersteller für Navigationsysteme anbieten.
    Sie gaukeln dem System vor das der Rückwärtsgang eingelegt ist. Zum Beispiel hier <--
    Oder sehe ich das grad Komplett falsch?
    Toll wäre ja wenn man den Touchscreen auch benutzen könnte. Dann würde ein pc für das Auto in frage kommen. :D

    @Arni
    Schonmal vorweg eine Frage.
    Würde das Navi gern schon einbauen, lasse dann Fakra Verlängerungskabel unten raus kommen.
    Allerdings eine Sache irritiert mich ... Pin14 für Licht muss angeschlossen werden.
    Woher nehme ich denn das Kabel?

    Muss euch beide nochmal Loben. Da ich es selber schonmal probiert habe, weiß ich was für eine Arbeit das ist.
    Allerdings hatte ich das ganze an einem Radio probiert wo kein RFK eingang vorhanden war. volldolllol

  • @MikeschTuning:
    Da ich nur in der Freizeit momentan Zeit habe und die auch noch recht knapp bemessen ist, kann das noch etwas dauern.
    Aktuell geht´s an die Hardwareentwicklung.

    Was hast du denn für ein NX? Aus dem Kuga oder Focus?
    PIN14 bekommt in diesem Fall ja die Spannung für die Helligkeitsregelung unter anderem für die Tasten.
    Diese Spannung liegt z.B. am Zigarettenanzünder direkt unter dem NX.
    Also einfach da von der Beleuchtung eine Leitung zu PIN14 am Quadlock.

    Was die Nutzung des Touchscreen´s angeht hab ich da auch schon nen Test hinter mir.
    Es geht, ergibt aber keinen Sinn.
    Wenn du einen CPC einbauen willst, schmeiss das TFT raus und hol dir eins mit einer vernünftigen Auflösung.
    Die Tasten könnte man dann ja per IO-Warrior weiterverwenden.

    Gruß C1500

  • Ach so ok. Denke dann werde ich erstmal so eine Schaltung von Arni einbauen, bis dann deine soweit ist.
    Hast du beruflich damit zu tun? Hardware und Software entwicklung? Da muss man ja schon ne menge an
    Ahnung mitbringen! :S

    Habe ein NX aus dem aktuellen Mondeo Modell. Ok, perfekt, das mit Pin 14 hab ich verstanden.

    Also TFT tauschen ist mir schon zu aufwendig! Dachte an so eine Art Mediaplayer wobei man einen
    Infrarotsensor ins Auto legt um mit einer Fernbedienung umzuschalten oder sowas in der Art!

    Gruß Mike

  • Wenn du ein Mondeo Navi hast, brauchst/darfst du den PIN14 nicht anschließen.
    Beim Mondeo kommt die Info per KWP2000 Diagnose über den CAN.
    Focus, Kuga und C-Max können das nicht.

    Und ja, ich hab damit beruflich zu tun ;)

Jetzt mitmachen!

Sie haben noch kein Benutzerkonto auf unserer Seite? Registrieren Sie sich kostenlos und nehmen Sie an unserer Community teil!