Dermon4 dab antene kannst kaufen in jede elektro laden . sowieso gehe nach anleitung in wiki von go4it oliver
Beiträge von marekrbk
-
-
wollte schon aufhören und ein Kollege schreibt mir ob ich nicht was brauche weil hätte für mca dab. Muss ich jetzt machen, aber das macht Spaß
-
ja aber bis es kommt brauche es so schnell.
habe wieder neues projekt schon beschtellt
-
Kennzeichen ohne Rahmen
-
oliver ich suche die pins. Denn konektor liefern die immer ohne.
-
du brauchst klima modul von nx radio dann wird wieder laufen
-
front kamera rear kamera alles automatik oder ferbedienung
-
oliver danke ohne dein material und bilder würde nich funktionieren. kamera angeschlossen,reagiert schnell auf rückgang ein aus alles super
Externer Inhalt youtu.beInhalte von externen Seiten werden ohne Ihre Zustimmung nicht automatisch geladen und angezeigt.Durch die Aktivierung der externen Inhalte erklären Sie sich damit einverstanden, dass personenbezogene Daten an Drittplattformen übermittelt werden. Mehr Informationen dazu haben wir in unserer Datenschutzerklärung zur Verfügung gestellt. -
habe video in in meine mca 2 funktioniert danke für die Bauteile Oliver
Externer Inhalt youtu.beInhalte von externen Seiten werden ohne Ihre Zustimmung nicht automatisch geladen und angezeigt.Durch die Aktivierung der externen Inhalte erklären Sie sich damit einverstanden, dass personenbezogene Daten an Drittplattformen übermittelt werden. Mehr Informationen dazu haben wir in unserer Datenschutzerklärung zur Verfügung gestellt. -
alles muss seine zeit haben. werde alle bilder hoch laden. warte noch auf subwofer. nächste woche will ich anfangen. noch microprocesor
-
Oliver danke. Go4IT.
mca video in -
noch bin zu hause sonnst wurde schon arbeiten in tirol austria . ich glaube nicht viel auf corona bin selber ganze zeit gesund
-
ok bin bereit ,ich habe kein problem einreisen
-
habe in allegro gesucht und gesammt preis wahr 100 euro ,wenn es ankomt wird gleich gebastelt. elektro diagram ist leich einzige problem sehe ich nur am lust das fertig zu machen
-
neue projekt
-
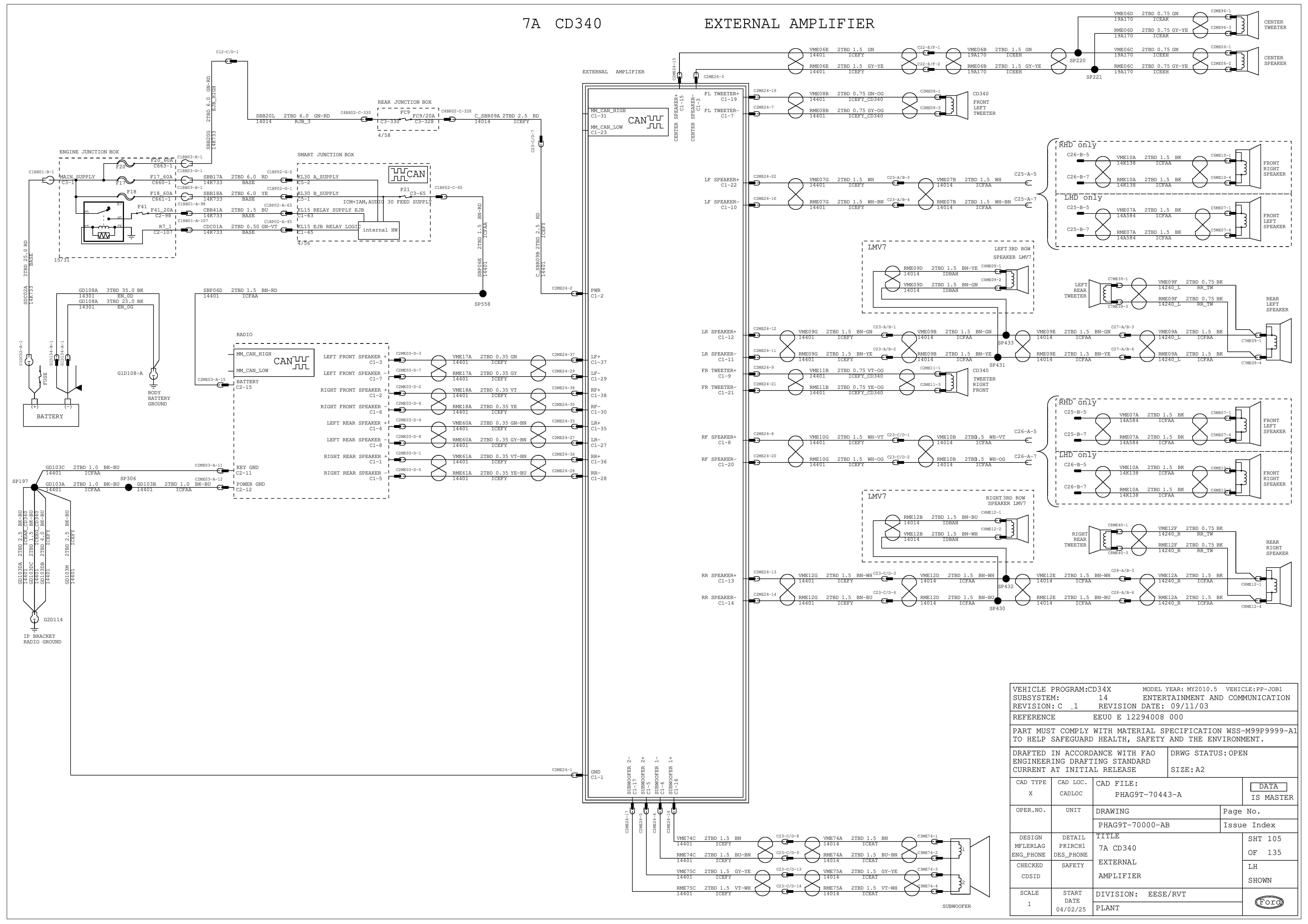
keyles habe noch nicht gemacht weil keine zeit dazu gehabt,bcmi kannst du tauschen ,du musst nur par sachen tuhen. erste ist wenn du tauschst must du von ipc einstelungen kopieren in bcmi normal uber forscan. nachste ist schlussel must du neu kodieren . von 2007 bis 2010 kannst du zu hause erledigen . ab 2010 muss es ford service machen . Du brauchst zwei kabel els27 china und ucds china . els wegen codieren und ucds wegen inicializieren bcmi . sonnst ist es alles und auf wiki von Go4IT ist elektro schema von bcmi da siehst du wo musst du antene verbunden
-
bis jetzt habe nicht gebraucht aber mann muss immer helfen konnen. heute 250 000km
-
Led leuchtet sehr gut
-
jungs radio mca ,deko und tunel mit bluetoth hat mich na verkauf fx (GRATIS BEKOMMEN )und android radio - 8 euro gekostet . wahr nich so teuer umbau

-
sorry manchmal schreibe ich schneller als ich denke. Habe gemeint NX