U-Fehler erstmal löschen und schaun ob sie wieder kommen?
Beiträge von Go4IT
-
-
Hm, ist diese Häuffung von BCM-Problemen jetzt nur Zufall? Oder gar eine Verschwörung?

Im Winter braucht man öfter Spritzwasser, gern mit reichlich Frostschutzmittel drin, oft mehr als nötig. Trotzdem sind Dichtungen und Kunststoffteile im Winter stark belastet durch Kälte und gefrierende, sich ausdehnende Flüssigkeiten. Ein Kleiner Defekt an der Pumpe fällt womöglich über den Sommer nicht auf und im Winter "drückt" man das Spritzwasser durch häufigere Nutzung förmlich in die Leitung zum BCM. Und da hilfts auch nix das der Übergang vom Motorraum zum Fahrzeuginnenraum sehr gut abgedichtet (vergossen) ist und hoch liegt, da sich die Flüssigkeit durch die Adern zieht (Kapillar-Effekt).
Eigentlich müsste man im BCM einen Wassermelder installieren

-
Such mal nach "Ford BCM klonen" oder Abwandlungen der Schreibweise in den einschlägigen Verkaufsplattformen Deines Vertrauens...
-
Rücktrittbremse
Der war gut! 🤣🤣
Jo, so wie das aussieht kann auch im inneren der Multimayer-Platine (6-Lagig) ein Schaden stecken der von oben/unten nicht zu beheben ist...
-
Es gibt Dienstleister die sowas anbieten, oder mit der Forscan die CCC kopieren und mit der PATS Funktion alle Schlüssel löschen und neu programmieren nach dem Wechsel des BCM.
-
Du hast vermutlich einen Defekt an der Wischwasserpumpe vorn. Die Flüssigkeit zieht sich dann langsam durch die Leitung (Capillar-Effekt) bis ins Steuergerät.
Dort verursacht das Wischwasser, welches oft mit Zusätzen für Winterbetrieb etc. elektrisch leitfähig ist für Korrosion und Kurzschlüsse.
Mit etwas Glück kannst Du das kit Alkohol reinigen. Also nicht in Dich reinkippen, das macht es nur kurzfristig besser

-
Keine Ahnung ( ich habe noch nicht gemessen ) welche Größe die beschädigten Kabel haben. Aber das ist doch schon ziemlich wenig, denke ich.
Es gibt ja auch noch diese Wärmeschrumpfenden Lötverbinder Stoßverbinder. Wären die gegebenenfalls eine Alternative ? Quasi "Löten für Grobmotoriker"

Die Leitungen dort haben in der Regel 0,25 mm² aufwärts.
Die Lötverbinder wollte ich Dir nicht empfehlen weil man da mit Heißluft arbeiten muss. Die haben leider zwei entscheidende Nachteile: zum einen einen Schmelzpunkt der höher liegt als der der Isolierung. Dann musst Du unbedingt die restliche Umgebung thermisch isolieren, mit geeigneter Folie/Matte und natürlich über eine gute Heißluft-Station/Pistole verfügen. Es gibt da Aufsätze die haben ein gebogenes Blech um die Hitze vom Rest zu trennen, aber diese Bleche werden auch heiß mit der Zeit.
Da denke ich mit schrecken an das Bild eines verschmorten Kabelbaums...
-
Ja AG9T stamm aus den früher erschienen Modellen und wurde im Mid-Facelift bis 10/2010 verbaut. Danach kam das BG9T (ihr wisst ja das der erste Buchstabe das Modul-Baudatum angibt).
Ein BG9T kommt daher ebenfalls in Frage.
-
Daher hatte ich ihm ja auch ein Set mit AWG 26 Verbindern rausgesucht. Aber ja, das wird eine elende Fummelei und wenn ich so länger drüber nachdenke wäre es vielleicht jetzt angebracht das von einem Fachmann (Elektriker/Elektroniker) löten und schrumpfen zu lassen...
Der Kollege ist ja eher "Grobmotoriker" (nicht böse sein, aber wer mit nem Cutter in der Nähe von Kabelbäumen rumfuchtelt... ;-)) Da besteht potentiell die Gefahr weiterer Schäden beim ersten Versuch mit Elektrik.
Die Leitungen sind kurz und stramm im Kabelstrang, der muss also ein guteb Stück VORSICHTIG aufgemacht werden um überhaupt eine Chance zu haben das sauber zu verbinden.
Er sollte vorher auf jeden Fall üben.
-
Keine Ahnung ob das nun "normale" oder irgendwelche "BUS" Leitungen sind.
Das spielt keine Rolle, Du brauchst sie ALLE

-
Da hast du den absolut richtigen Riecher gehabt !

Heute die Ecke an der ich am Schiebedachablauf gearbeitet habe noch einmal genau in Augenschein genommen.
Und ich denke, mein Problem ist offensichtlich.Na bitte, und Du wolltest gleich alle Module tauschen
Aber erstmal Glückwunsch, Du siehst, Hartnäckigkeit zahlt sich aus! Und dann frage Dich mal ob eine Werkstatt DAS gefunden hätte und wie lange die dafür gebraucht hätten...Um die Leitungen wieder ordentlich zusammen zu bekommen musst Du diese etwas abisolieren. Besorge Dir eine vernünftige Abisolierzange , z.B. diese hier: https://www.amazon.de/APTTOOL-Abisol…ref=sr_1_2_sspa Da haste was vernünftiges. Meine ist von Knipex, sieht genauso aus, kostet aber fast 6mal so viel.
Damit isolierst Du die Adern ca. 6mm ab und verdrillst die Kupferadern. Um die beiden Enden zu verbinden (und da pass immer genau auf die gleichen Kabelfarben zu nehmen, kein Durcheinander anrichten!) kannst Du so ein Quetschverbinder-Set nehmen: https://www.amazon.de/Kabelverbinder…ref=sr_1_4_sspa Das sind Quetschverbinder mit Schrumpfschlauch drumherum. Da nimmst Du einfach die kleinsten wo Du von beiden Seiten die Adern reinstecken kannst. Zuerst eine Adern festquetschen, dann die andere Ader einstecken und quetschen. Vielleicht ist es besser gleich ein Verbinderset inkl. Quetschzange zu kaufen: https://www.amazon.de/Crimpzange-Sto…ef=sr_1_22_sspa
Sitzt die Quetschung kannst Du mit einem Haartrocker den Schrumpfschlauch schrumpfen lassen und alles ist dicht und hält.
Das Problem sind die engen Platzverhältnisse. Du musst den Kabelbaum etwas öffnen um genug Spielraum für die Quetschzange zu haben. Ich persönlich würde das löten, aber das wirst Du kaum können.
-
So ein "Signalverfolger" scheint mal gar nicht so einfach zu finden. Da gibt es ja verschiedenste
. Zudem ich nicht mal einen Ansatz von Ahnung habe, wie die Leitungen beim Mondeo verlaufen. Sind ja nicht gerade wenige.Ich würde Dir da, so aus dem Bauch raus, sowas hier empfehlen https://www.amazon.de/dp/B08JKWBQCP/ref=sspa_dk_detail_3 Da hast Du für kleines Geld einen Kontaktlosen Leitungssucher und kleines Messgerät in einem. Ansonsten tut es nur zum suchen auch das hier https://www.amazon.de/Gobesty-Schalt…s/dp/B08F5DBDFR
Das Prinzip dabei ist das man an einem Ende der Leitung (z.B. am abgezogenen Stecker) ein Tonsignal auf die Leitung gibt (Sender). Mit dem Sucher kann man die Leitung dann sogar aus einigen cm Entfernung finden, man muss also keinen elektrischen Kontakt herstellen.
-
Danke, kein Problem.
Freue mich ja auch, wieder was dazuzulernen.
Soweit ich das dann auch raffe
Das von mir vorgestellte Prinzip erhebt nicht den Anspruch eines BCM Clone für "Jedermann", ganz klar. Da ist schon einiges an fachlicher und technischer Befähigung vorausgesetzt. Mir geht es bei solchen Dingen eher um Grundlagenforschung und "Entzauberung" von Dingen die sonst nur von sehr teurer Spezialsoftware aus der meist "dunkelgrauen" Tuner-Szene angeboten werden und mit denen viel Geld verdient wird.
Bei dem was Du berichtest würde ich erstmal nicht zwingend das BCM tauschen, denn wirkliche Belege für einen Defekt sehe ich noch nicht. Es stellt sich doch immer wieder heraus das es die kleinen, unscheinbaren Dinge sind, die Ärger machen. Module tauschen machen die Werkstätten, gege Einwurf großer Scheine, den wirklichen Fehler finden muss man oft selbst
Warum willst Du jetzt viel Zeit und ggf. Geld investieren um am Ende festzustellen das das Problem auch nach Tausch des BCM noch da ist?Das naheliegende ist oft das richtige und hier liegt doch nahe das Du Probleme im Kabelbaum hast. Ein BCM geht nicht einfach durch Ausbau oder bewegen kaputt, alte Leitungen schon.
Zudem weist der DTC doch klar auf das Lenkradmodul hin, also wäre doch hier der erste Ansatzpunkt? Und vor allem anderen mal erst überlegen welche Komponenten da einem Verschleiß unterliegen? Da denke ich im Zusammenhang mit den Lenkstockschaltern an Steckverbinder und Kabelstränge. Um diese zu testen gibt es bewährte Methoden und Mittel, z.B. einen Signalverfolger. Damit gibt man auf eine beidseitig vom Bordnetz abgesteckte Leitung ein Signal und prüft mit einer kontaktlosen Messspitze ob und wo dieses ankommt. Eine einfache Durchgangs, aka Widerstandsmessung, wäre auch nicht verkehrt. Bewegt man dabei die betroffenen Bereiche, sollten sich Kabelbrüche und Kurzschlüsse finden lassen.
Die Schalter selbst machen auch gern Probleme nach so langer Zeit, vertragen auch kein Cola oder Kaffee
Lohnt sich den mal auszubauen, zu öffnen und zu reinigen.Aber ja, das ist zeitraubende Detektivarbeit und erfordert das man große Teile der Fahrzeugverkleidungen demontiert. Und ohne beheizte Werkstatt/Garage auch nicht empfehlenswert zu dieser Jahreszeit, wegen Bruchgefahr von Plastikteilen und Fingern

Deshalb tauschen Wekstätten auch viel lieber Komponenten/Module. Das ist weniger Arbeit und bringt viel mehr Gewinn, denn das Risiko trägst allein Du. Bringt der Modultausch nichts, zahlst Du trotzdem, Umtausch ausgeschlossen.
-
Einfach nur als Hinweis BCM clonen geht ganz leicht hier mit. https://ioterminal.com/?page_id=952
Hab ich selber gemacht kenn da jemand der hat das.
Ja, wenn man jemand kennt ist immer gut... Die Kosten für Hardware und Software die da zu kaufen ist dürfte im Bereich von 300-400€ liegen, eher mehr, je nachdem welche Messspitzen/Kontaktpins da noch bei sind um Lötkontakte zu vermeiden.
Und was heißt "habe ich selber gemacht" genau? Hast Dir das Teil geliehen? Und muss man damit nicht auch das BCM öffnen und die entsprechenden Pins anschließen? Meine Variante kostet ca. 15€ für einen billigen USB-Adapter, bedarf aber natürlich viel mehr Fachwissen als die für "Schrauber" konzipierte Version von IO-Terminal. Solche Software gibt es zu Hauff auf dem Markt und alle verdiene fürstlich and der Hardware und nicht zuletzt an zahllosen Plugins und Lizenzen für Funktionen.
-
So heute in der Werkstatt gewesen und die haben erst versucht mit IDS Standart update zu machen gleiches Problem, haben dann mit FDRS Update gemacht und siehe da Außentemperaturanzeige wieder da😀. Der Ford Mechaniker meinte die bei Ford fahren gerade alle Funktionen vom IDS Standart zurück.
Das klingt irgendwie seltsam. Zum einen hat Ford IDS schon vor über einem Jahr eingestellt und vor über drei Jahren den Nachfolger FDRS successive aufgebaut. Das heißt, Funktionen des IDS nach und nach ins FDRS übernommen. Wenn eine Werkstatt noch IDS nutzt, dann nur noch inoffiziell mit einer gepatchten Version.
Zum anderen wäre die Software die aufs IPC gespielt wird dieselbe, also egal ob man IDS, FDRS oder was anderes (UCDS, ...) nutzt. Der Grund könnte eher in der Aufspielmethode liegen. IDS versucht immer die vorliegende Version zu erkennen und erlaubt es nur diese auch aufzuspielen. Ein Update nach Belieben, so wie es mit UCDS möglich isr, kann IdS nicht. FDRS kann das evtl., oder man kann die Prüfung übergehen.
Aber schön das die Lösung dann doch so einfach war für Dich! Ich hoffe Du hast Dir gleich die letzte Version (1507) aufspielen lassen, wenn schon ein Update.
Auch wenn unklar ist wie es dazu kommen konnte, wenn software-/hardwareseitig nichts am Motorsteuergerät oder Kombiinstrument verändert wurde? Klar kann im Flash-Speicher auch mal ein Defekt auftreten nach vielen Jahren, aber eine echte Erklärung ist es leider nicht.
-
Siehst Du schon richtig.
Dein Funktionstest zeigt das die Rücklichter ok sind, Frage hierzu: Du hast ja nen vorFacelift, sind da in den Rücklichtern normale Glühlampen verbaut? Keiner mal was gegen LEDs getauscht, ja?
An der Fahrzeugkonfig hat auch keiner gedreht und versucht die Rückleuchten auf LED einzustellen?
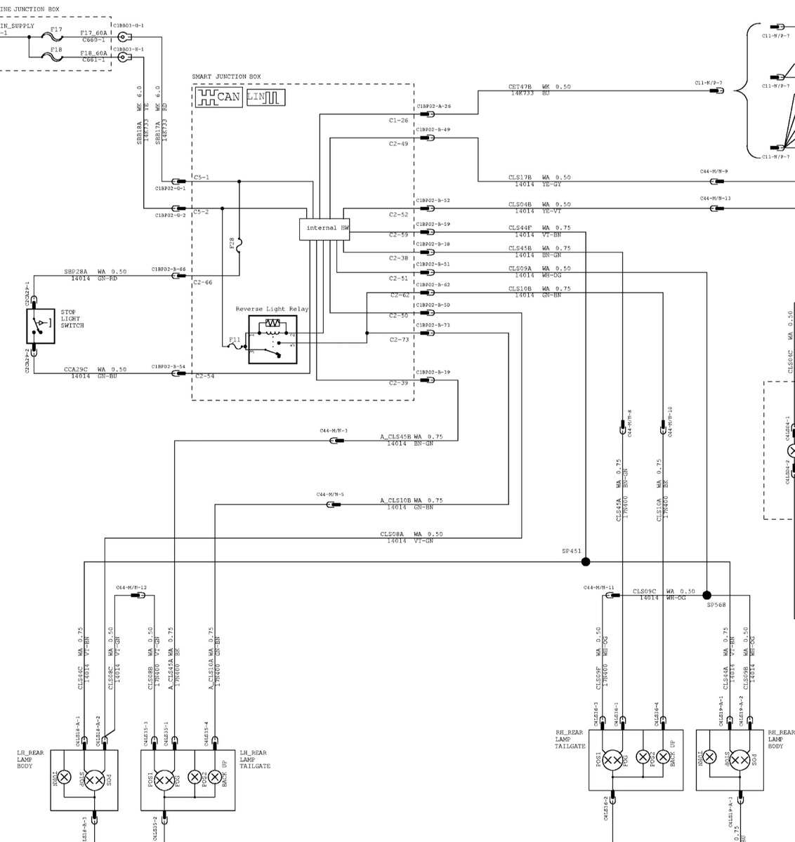
Bleibt das es wirklich einen Defekt auf dem BCM gibt. Ich habe leider kein vFL BCM, kann also nicht genau sagen welche Komponenten es betrifft, aber beim VFL ist da noch ein Relais verbaut "Reverse Light Relay":
Wäre doch wichtig zu wissen ob das intakt ist.
-
Die Sensoren arbeiten prinzipiell "kegelförmig", was ihren Erfassungsbereich angeht. Und natürlich hat der Hersteller genaue Vorgaben für die Positionierung, damit sie nicht die Straße als Hinterniss erkennen, oder in die Luft starren. Da die Sensoren aber für beide Modelle diesselben sind, stimme ich digdog zu das man den geringen Positionsunterschied scheinbar ignorieren kann.
-
Auch um sowas zu vermeiden bin ich bei der Prüfung immer anwesend. Dauert ja keine Ewigkeit und geht ohnehin nur mit Termin.
-
Ja, da stimme ich Endurance zu. Mit geeignetem Equipment (ELM-Adapter und ForScan) erhält man auch beim auslesen des Fehlerspeichers zugleich den Zustand der Batteriespannung beim auftreten des Fehlers (DTC). Das ist wichtig, denn die Leerlaufspannung die man ggf. misst ist nicht aussagekräftig genug.
-
Das ABS/ESP zusammen leuchten macht noch Sinnl aber warum die Airbag-Lampe? Hm... fürs Erste kannst Du auch ohne ELM Adapter mal die DTCs übers Kombiinstrument ermitteln. Nicht so komfortabel und nicht vollständig, aber besser als nichts