Rahmen verzogen => Feierabend. Ja für 17k€ Reparaturkosten könntest Du dir selbst bei den heutigen Gebrauchtpreisen glatt zwei MK4 kaufen aus dem Baujahr.
Beiträge von Go4IT
-
-
Hier in dem Video ist die Airbag-Entfernung nochmal gut zu erkennen. Die Sprache ist irgendwas Osteuropäisches, spielt aber keine Rolle, die Bilder sind entscheidend. Man sieht gut wie man von hinten an die Klammern ran kommt, wenn die Lenksäulenverkleidung runter ist und dann ist das lösen der Klammer auch wirklich einfach:
Beim 2-Klammern-Lenkran ist das schon mehr Gefummel um dunklen...
-
a, ja damit kommt sicher noch einer um die Ecke
Aber zum Glück sind wir hier nicht im ford-forum.de da würdest Du allein für den Hinweis wie es geht abgemahnt oder gar ganz ausgeschlossen werden... wir handhaben es hier eher nach "dem willigen gehört die Welt", also wer es sich zutraut dem zeigen wir wie es richtig geht und gefährlicher als Arbeiten am Fahrweg/Bremse ist das per se auch nicht, im Gegenteil, ein falscher Zusammenbau würde erkannt und mit Airbag-Lampe quittiert werden. Das wichtigste ist vorher die Batterie abzuklemmen und so 5-10 min. zu warten, dann ist man auf der sicheren Seite. Unabhängig davon ist das auslösen des Airbag keine Frage von Kontakten sondern wird gezielt vom Airbagmodul gesteuert. Es ist also nicht wie Nitroglyzerin, das bei der kleinsten Unachtsamkeit gleich explodiert, sondern ein wohl kontrollierter Prozess. Will sagen: ein wenig Vorsicht kann nicht schaden, Respekt auch nicht, aber Angst muss man davor jetzt nicht haben.Ach und es erinnert mich auch daran das ich die Anleitung im Wiki mal einstellen muss wie man den ausbaut... die meisten Beschreibungen hier im Forum sind im Zusammenhang mit den Lenkradtasten zu finden. Ich versuche es mal grob zu skizzieren:
Beim vFL hast Du (zu 99%) ein Lenkrad bei welchem der Airbag mit drei Klammern fest ist, der sieht ausgebaut von hinten so aus:
und hier das Lenkrad dazu, gut erkennbar wo die "Krallen" des Airbags im Lenkrad durch die Klammern gehalten werden:
Die grünen Pfeile zeigen die Richtung an in der die Klammer gedrückt werden muss um die Airbagkralle freizugeben. Ich würde empfehlen mit der unteren zu beginnen. Ist diese gelöst, ploppt der Airbag schon ein Stück raus. Dann die oberen beiden. Zum lösen hat sich ein abgewinkelter Schraubendreher bewährt:
laut Ford soll die untere Klammer durch eine spezielle Öffnung am Lenkrad erreichbar sein:
Du musst die elektrischen Leitungen am Airbag selbst garnicht abziehen um diesen auszubauen, sondern einfach die Gegenstelle, dort word der Lenkradkabelbaum in die Wickelfeder geht:
Der muss ohne raus, ist also ein Aufwasch und Du läufst nicht Gefahr die doch sehr filegranen, gelben Steckerchen vom Airbag zu beschädigen (gell, jofel ?

Bezüglich Demontage des Lenkrades hat Ossi mal ein paar Coole Bilder gemacht, einfach die Nabenschraube mit nem 24er Schlüssel rausdrehen und Du kannst das Lenkrad abziehen:
und bist dann gleich schon an besagter Wickelfeder:
Das Lenkrad sollte dabei in Mittelstellung sein und die Feder nach dem Ausbau nicht verdreht werden (Klebestreifen fixieren).
Anschließend sind nur noch ein paar Torx-Schrauben zu lösen und Du hast den gesamten Lenkstock in der Hand:
Einbau dann in umgekehrter Reihenfolge. Der Airbag wird am Ende einfach nur feste reingedrückt.
-
Die Meldungen und der erkannte Zusammenhang erscheinen mir schlüssig. Ein "neuer" Lenkwinkelsensor (ist Bestandteil der Wickelfeder)
bzw. ich würde lieber gleich eine ganze Lenkstockgruppe inkl. Wickelfeder kaufen
ist für kleines Geld in der Bucht zu haben (ca. 50-70€), der Austausch ist, bis auf den Airbag, reines triviales geschraube:
- Batterie ab
- Lenksäulenverkleidung demontieren
- Airbag runter
- Lenkradschraube raus, Lenkrad runter
- Lenkstockgruppe abstecken, abschrauben (ich glaube es sind nur 2 TORX) und abnehmen
und umgekehrt mit der neuen wieder drauf.
-
Nein, PDC geht über den kompaktstecker unter dem rechten Scheinwerfer.
Das sieht mir eher nach Haubenschlosskontakt für Alarmanlage aus.
-
Ich habe diese Phänomen ja auch intensiv untersucht, mit insgesamt 5 Modulen und 3 Kameras (graue Hirose-Steckverbindung am Kamera-Modul). Eine Schwachstelle im Modul konnte ich nicht ermitteln (Stichw. "kalte Lötstellen") auch der Stecker am Modul wies keine erkennbaren Probleme auf.
Jedoch hatte ich bei der Hirose-Steckverbindung zwischen Kamera und Modul einen klaren Befund:
Die kleinen Pins reagierten nachweislich auf "wackeln":
Hierzu hatte ich die Steckkontakte komplett zerlegt. Optisch an der Oberfläche war nichts schlimmes erkennbar. Ich hatte dann die Pins von beiden Seiten gegen neue ersetzt und konnte dann den Wackelkontakt nicht mehr nachweisen, sprich er war behoben. Das crimpen dieser Verbindungen ist jedoch nur was für Feinmechaniker/Elektroniker. Ich habe auch schon "Lösungen" gesehen die darin bestanden den Stecker vollständig auszuknippsen und die Leitungen direkt zu verbinden. Dies ging vom löten bis zu Lüsterklemmen. Bei ca. 30 MHz Takt darüber, keine gute Idee und spätestens wenn man man etwas im Bereich der Heckklappe reparieren muss wird sich das rächen.
Was mich aber trotz Reparatur stutzig machte ist das ich meine Kamera und Kabelstrang bis zum Modul bereits durch die neue Variante mit grünem Fakra-Stecker ersetzt hatte und trotzdem vom Bildaussetzer-Problem gebeutelt bin. Anfangs war alles super, aber so nach 2 Jahren fing das Problem wieder an. Der Fakra-Stecker ist ganz anders aufgebaut und wesentlich witterungsbeständiger als der Hirose. Ein Wechsel des RFK-Moduls brachte auch keine Abhilfe.
Daher habe ich noch so meine Zweifel ob es nicht noch ein weiteres, bislang unerkanntes Problem gibt... ich wollte immer mal einen Zweitmonitor ins Auto hängen und das Videosignal auch dort einspeisen um beim Ausfall zu erkennen ob das RFK-Modul wirklich kein Bild mehr ausgibt oder das Problem womöglich im MCA liegen könnte.
-
ich glaube nicht das das im Mondeo ein Problem ist
Das verlinkte Video zeigt ja leider genau das Gegenteil

-
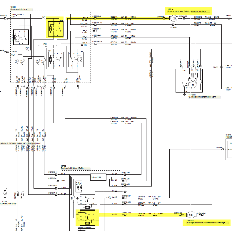
Ich denke, Du vermischt die normale mit der Scheinwerferreinigungspumpe. Letztere wird bei beiden Modellen über ein externes Relais angesteuert.
Aber lassen wir das besser, wir führen das Thema ja sonst zu weit ins Offtopic.
Ich finde das nicht Off-Topic, denn wenn es dieses Problem im Mondeo gibt, dann könnte Augustiner davon betroffen sein und es ist purer Zufall das es jetzt erst Auswirkungen zeigt.
Und sorry das ich hier quatsch erzählt habe, bin auf einen Planfehler reingefallen, denn Ford hat beide Pumpen im Schaltplan mit "Pumpe - vordere Scheibenwaschanlage" bezeichnet:
P.S.: Ich habe dem Thema grundsätzlich mal einen Platz im Wiki gegeben: https://mk4-wiki.denkdose.de/artikel/fehler…h_defekte_pumpe
-
Ich hatte mir mal einen kompletten Kabelstrang mit Motore zugelegt, für genau solche Tests. Der ist nicht sehr groß und man kann ihn einfach am Klimamodul einstecken und sieht dann genau ob was dreht oder nicht. Wäre vielleicht ne Option für Dich?
-
Ich auch nicht. Nur der gezeigte Stecker erinnert mich an die Focus-Sache. Und für diese ist der Effekt ja ausführlich dokumentiert (siehe Ford-Forum).
PS: Ich weiß nicht ob sich der innere Aufbau der BCMs vom Mondeo und Focus so gravierend unterscheiden, aber die Pumpe wird beim Focus genauso über zwei Relais angesteuert, die sich in der BCM-Box befinden. Für den Prozessor direkt wäre die Stromaufnahme der Pumpe viel zu hoch.
Ich "durfte" dieses Schadbild mal bei einem Focus reparieren, ein Riesenspaß für die ganze Familie

Was ich aber meinte war, das beim Mondeo im Gegensatz zum Focus die Pumpe nicht direkt sondern über ein externes Relais (R10 im Motorraum-Sicherungskasten) angesteuert wird. So kann die Flüssigkeit durch die Pumpenmotorleitung max. bis ins Relais vordringen. Ich meine beim Focus gibt es dieses externe Relais nicht und das Kabel geht direkt ins BCM.
-
Augustiner erstmal Glückwunsch und meinen Respekt das Du so lange und beharrlich den Fehler gesucht hast. Nicht wenige hätten aufgegeben. Das mit dem Batteriesensor ist mir immer noch etwas rätselhaft. Ich glaube Dein Problem liegt dann wohl offensichtlich im grünen BCM-Stecker oder im BCM selbst. Wenn der Stecker äußerlich keine Beschädigungen/Verschmutzungen aufweist dann wackel mal dran im eingebauten Zustand mit Zündung an. Wir hatten hier auch schon Fälle wo das BCM einen weg hatte.
In Summe sehe ich zwar nicht zwingend einen Zusammenhang zum Unfall, aber wer weis.
Wenn der Stecker in Ordnung scheint (diese Lila Schutzkappe kannst Du auch vorsichtig nach vorn raus hebeln, dann siehst Du die Kontakte besser (Lampe)) dann bau das BCM mal ganz aus und öffne den Deckel (ist nur geclipst) und schau wie es innen aussieht (Fotos machen).
oldrebel Kenne ich beim Mondeo überhaupt nicht. Beim Focus war das Problem das die Leitung der Pumpe direkt ins BCM führt. Wird die Pumpe undicht zieht sich das Reinigungswasser aufgrund der Kapillarwirkung durch die Adern bis ins BCM . Beim Mondeo ist die Pumpe zusätzlich über ein Relais geschaltet, da sollte sowas also nicht vorkommen.
-
Das Anklappen beim Verschließen ist nicht programmierbar. Du kannst nur die Klappfunktion komplett abschalten.
Wann sollten die denn sonst einklappen/ausklappen? Ab 180 km/h?

Also, wenn Du die Funktion deaktivierst (https://mk4-wiki.denkdose.de/artikel/aussen…n_programmieren) kannst Du trotzdem nach wie vor am Knopf der Fensterheber-Konsole die Spiegel elektrisch ein und ausklappen lassen.
-
Ich will nicht unken, aber für mein Verständnis bist Du gerade wieder am Anfang angekommen, einmal im Kreis gelaufen. Einen Batteriesensor hast Du sehr wahrscheinlich garnicht, den gab es nur bei den allerletzten vFL aus Mitte 2010.
Anstelle weiter systematisch nach dem Fehler zu suche , und das ist nun messen, prüfen und auslesen, gehst Du wieder in den Switch-and-hope Modus.
Nunja, ich wünsche Dir trotzdem Erfolg, auch wenn es mir schwer fällt dran zu glauben das es an der Batterie liegen soll. Hoffentlich täusche ich mich!...
-
Das Thema mit nicht mehr anklappenden Spiegeln hatten wir ja schon das ein oder andere Mal. Am besten suchst Du erstmal und machst Dich schlau, bevor Du irgendwas rumprogrammierst (sofern Du überhaupt schon wiesst wie man das macht...)
Hier wäre mal ein wenig Starthilfe zum Thema https://mk4-wiki.denkdose.de/artikel/aussen…g_und_reparatur
-
HS CAN finde ich in der Belegungsliste nicht, oder ist dass dann MS CAN HIGH?
Ohja, mein Fehler sorry, der ist natürlich nicht im grünen Stecker, dort wird nur MS-CAN rausgeführt, der HS-CAN geht über einen eigenen Strang zum "C11-N/P" im Sicherungskasten vom Motorraum:
HS-CAN zum PCM sind gleich Pin 1 (Weiß) und Pin 2 (Weiß-Blau) von diesem
https://mk4-wiki.denkdose.de/artikel/kabelb…rbinder/c11-n-p
Also den abziehen und dann sowohl am Stecker (=Leitung in den Innenraum zum BCM) als auch an den Stiften (=Leitung im Motorraum) messen.
-
Jo vermutlich ABS Sensor
-
Es ist ja ganz klar das das PCM mit dem BCM nicht mehr reden will. Das kann ein Leitungsproblem auf dem HS-CAN Bus sein (Kurzschluß oder Unterbrechung irgendwo im Kabelstrang). Wenn Du ein Multimeter zum messen hast, dann zieh doch mal den grünen Stecker vom BCM (https://mk4-wiki.denkdose.de/artikel/bcm/pinbelegung_c1_vfl) ab und miss den HS-CAN welcher in den Motorraum geht mal in der niedrigsten Ohm-Einstellung durch. Zuerst gegeneinander, da sollte maximal 60 Ohm anliegen weil im PCM ein Terminationswiderstand enthalten ist (https://mk4-wiki.denkdose.de/_media/artikel…_uebersicht.png).
Dann auch mal gegen Masse ausmessen ob da ein Kurzschluß besteht.
-
Möglicherweise hat einer der Crash-Sensoren angeschlagen und das Steuergerät stillgelegt?
-
Ich mache demnächst mal wieder eine Klimawartung, das steht ja ohnehin alle 2 Jahre an, da werde ich sehen wieviel fehlt. Womöglich liegt es nur daran.
BBG-AE185 Mehrverbrauch verursacht eine Klima immer und zwar absolut messbar und auch spürbar. Wenn Du das bei Deinem nicht feststellst, hätte ich gesagt stimmt was an Deinem Auto nicht
Bei ebener, gerader Strecke auf der Autobahn wird es ab ca. 100 km/h deutlich weniger messbar, da wirkt dann die Masse vom Fahrzeug mit, darunter, gerade im Stadtverkehr ist der Mehrverbrauch signifikant. Das erkennt man gut am Restkilometerzähler! Und spürbar ist es sowieso. Wenn ich die Klima anhabe muss ich beim Anfahren deutlich mehr Gas geben, sonst würde ich den Motor gleich ab.Das war bei meinem schon immer so, selbst als ich ihn als Jahreswagen gekauft hatte, ist also für mich kein neues Problem will ich damit sagen...
-
Ich versteh den kleinen vollkommen!

