Benzindruck messen bzw. anzeigen lassen ?
Ladedruck messen bzw. anzeigen lassen ?.
Das geht auf jeden Fall
Um schreiben oder kommentieren zu können, benötigen Sie ein Benutzerkonto.
Sie haben schon ein Benutzerkonto? Melden Sie sich hier an.
Jetzt anmeldenHier können Sie ein neues Benutzerkonto erstellen.
Neues Benutzerkonto erstellenBenzindruck messen bzw. anzeigen lassen ?
Ladedruck messen bzw. anzeigen lassen ?.
Das geht auf jeden Fall
Dankeschön für die Info.
Dann werde ich mir mal den ELM 327 bestellen und sehen was passiert, bzw. nicht passiert.....
schöne Grüße
Marc
Hallo zusammen und frohes neues Jahr,
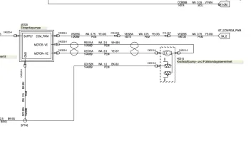
hat jemand zufällig einen Schaltplan für das Steuergerät (FPDM) für die Benzinpumpe, um zu sehen wie die Pin-Belegung ist ....
schöne Grüße
Marc
ist das dass Steuergerät 6G9N-9D372-AC was auf dem Tank sitzt ?.
was meinst Du mit komplett ?
schöne Grüße
Marc
ist das dass Steuergerät 6G9N-9D372-AC was auf dem Tank sitzt ?.
jepp
was meinst Du mit komplett ?
den ganzen schaltplan
ja wenn es geht den ganzen Schaltplan
Hast eine PN
Dankeschön !
Hallo zusammen,
weiter geht es... nun nach langer Zeit habe ich den Benzindruck beim fahren messen können. Gemessen mit ForScan. Dieser lag fast konstant bei 3 Bar was mich schon etwas gewundert hat. Ob Leerlauf oder Vollgas, auch im 5ten und 6ten Gang. Bei steigendem Ladedruck, stieg der Benzindruck nicht proportional mit an. Ladedruck und Düsenauslastung konnte ich nicht messen da ich die Einstellung nicht finden konnte. Hier vielleicht jemand ein Tipp ?.
schöne Grüße
Marc
Hallo zusammen,
weiter geht es... nun nach langer Zeit habe ich den Benzindruck beim fahren messen können. Gemessen mit ForScan. Dieser lag fast konstant bei 3 Bar was mich schon etwas gewundert hat. Ob Leerlauf oder Vollgas, auch im 5ten und 6ten Gang. Bei steigendem Ladedruck, stieg der Benzindruck nicht proportional mit an.
Normal, ist bei mir auch so, hab noch 2 andere 2,5er Mondeos zum Vergleich gemessen weil ich es auch nicht so ganz Verstanden habe .
Diekt nach dem Anlassen ist der Druck so für 30 Sekunden bei 4 bar und fällt dann auf 3 bar runter beim beschleunigen ist meiner auch max.
mal bei 3,2 bar.
Hallo Tom,
danke für Deine Bestätigung. Das lässt ja die vorherigen Postings bezüglich des Kraftstoffdruckeinbruches ganz anders aussehen..... dieses ist dann ja nicht gegeben. Ergo wirkt der plötlich ansteigende Ladedruck entgegen des Kraftstoffdruck. Was nun bedeutet, bei 3 Bar Benzindruck und 1,4 Bar Ladedruck, pissen die Einspritzdüsen nur noch mit 1,6 Bar, obwohl der Arbeitsdruck der Düsen mit 3 Bar angegeben ist. Die Düsenauslastung verschiebt sich in Richtung 100 % und wahrscheinlich mehr.......
@Tom : waren das alles Fahrzeuge mit originaler Software oder alle gechipt die Du gemessen hast ?.
schöne Grüße
Marc
2 Original und 1 mit Bluefin
also weder bei Original noch bei Bluefin eine Kraftstoffdruckerhöhung..... Dann brauche ich das ja nicht mehr messen mit Original-Software.
Also fange ich dann mit einem Umbau auf Fuel-Return System inkl. Pumpe an.....
Danke für die Info.
Schöne Grüße
Marc
Hallo zusammen,
weiter geht es mit dem Vorhaben. Rausgesucht habe ich mir diese Teile
Kraftstoffdruckregler mit 1:1 Anhebung
http://www.x-parts.de/Kraftstoffvers…n::2515807.html
Kraftsoffkühler
http://www.x-parts.de/Kuehlung/Kraft…r::2515648.html
Für weitere Verschraubungen hatte ich Hansaflex ins Auge gefasst, da die eine Niederlassung bei mir um die "Ecke" haben.
Hat jemand von Euch zufällig noch einen Pumpenkorb und oder eine Düsenstockleiste rumliegen und möchte diesen veräußern ?.
schöne Grüße
Marc
Hallo zusammen,
weiter geht es mit dem Vorhaben auf Fuel Return umzubauen. Wie ich nun gesehen habe, hat der Mondeo Pumpenkorb, so wie es jedenfalls auf dem Bild zu erkennen ist, einen "Druckregler", der bei Überdruck aufmacht und eine Anhebung wie man sie wahrscheinlich braucht, nicht möglich macht. Einfachste Variante wäre den Rücklauf des Reglers dicht zu machen. Hat jemand zufällig eine Ahnung, wann dieser Regler aufmacht ?.
schöne Grüße
Marc
Hallo zusammen,
ich brauche da mal ein bisschen Hilfe...... ich finde im ForScan nicht die Einstellung, wo ich mir den Ladedruck anzeigen lassen kann.
Habe die Einstellung weder bei PCM noch bei OBD II gefunden......
Kraftstoffdruck im Verteilerrohr habe ich gefunden
schöne Grüße
Marc
Ladedruck wird nur als Volt angezeigt.
selbst das habe ich nicht gefunden. Kannst Du mir vielleicht erzählen wo ich das finde....
schöne Grüße
Marc
Sie haben noch kein Benutzerkonto auf unserer Seite? Registrieren Sie sich kostenlos und nehmen Sie an unserer Community teil!