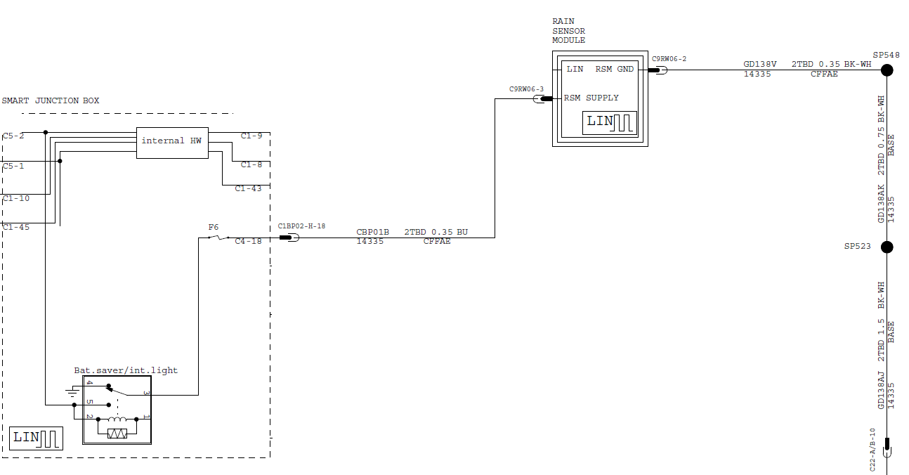
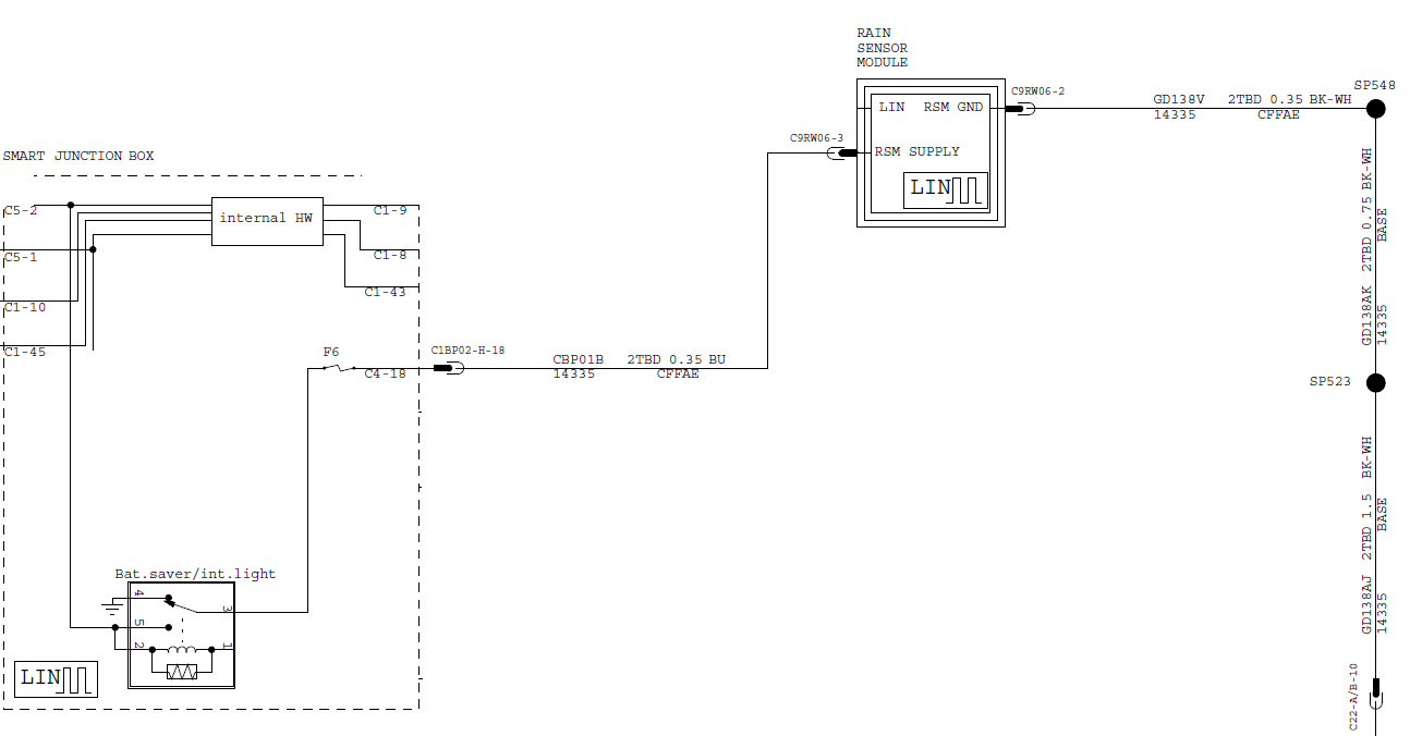
sigh, the rain sensor isnt being detected, so no auto lights / wipers. Any tips?
Retrofit Rain-Sensor (Regensensor)
-
Harelquinuk -
22. August 2025 um 12:39 -
Erledigt
-
-
Go4IT
30. August 2025 um 23:02 Hat den Titel des Themas von „One last thing to retro fit - Lane Depart (spurhalteassistent)“ zu „Retrofit Rain-Sensor (Regensensor)“ geändert. -
The sensor is connected with 3 wires, no matter which size, this is GND, 12V, LIN
https://mk4-wiki.denkdose.de/artikel/regens…out_rain-sensor
It is the BCM where the functionality is included. Per principle it should be enough to connect the wires and change the CCC to get it working.
-
done! had blown the fuse , all wired and working
-
Great job!
Jetzt mitmachen!
Sie haben noch kein Benutzerkonto auf unserer Seite? Registrieren Sie sich kostenlos und nehmen Sie an unserer Community teil!