Anhängerkupplung nachgerüstet, Schlussleuchten Links/Rechts leuchten nicht einzeln am Anhänger

  • Hallo Gemeinde,
    ich habe mir eine Anhängerkupplung zugelegt. Gestern habe ich den E-Satz 13pol verbaut. Dazu habe ich mir über die Bucht auch ein Trailer Modul geholt und eingebaut.
    Nun zu meinem Problem: Wenn ich nur die linke oder rechte Beleuchtung am Blinker einschalte, dann gehen am Anhänger beide Schlussleuchten. Ich habe an der 13pol. Dose gemessen (ohne Anhänger), es kommt an Pin 5 und 7 gleichzeitig Strom.
    Habe ich vielleicht mit ELMConfig irgendwas vergessen? Oder ist das normal so? Kann ich mir aber nicht vorstellen.
    Ich habe einen 2011 Mondeo Turnier, 2,2TDCI

    ----------------------Edit------------------
    Ich habe mir mal den E-Satz angesehen, dort gehen Pin 5 und 7 zusammen auf einen Pin am Anhängermodul. Dann ist es klar, dass immer beide leuchten.
    Nun ist aber die Frage, warum leuchten beide beim schalten nach links und beim schalten nach rechts?
    Ist es doch so gewollt?

    Einmal editiert, zuletzt von haudrauf (13. März 2018 um 17:25)

  • Da gibts 2 Punkte in ELMconfig umzustellen wobei natürlich die Option 13pol Steckdose vorhanden/nicht vorhanden am wichtigsten ist. Bei dem Fehlerbild glaube ich aber eher an einen Fehler bei der Verkabelung, wahrscheinlich Adern vertauscht. Oder eine "ungewollte Brücke" zwischen mehreren Pins in der Dose. Wenn man sich die innere Beschaltung so einer 13er Dose mal anschaut wäre es zumindest nicht ausgeschlossen von der Pos. der Pins her. Ich würde an deiner Stelle wahrscheinlich an bzw in der Dose als erstes nach der Fehlerursache suchen.

    "Jetzt, wo ich weiß wie es geht, versteh ich auch die Bedienungsanleitung :thinking: "

  • Also wenn Pin 5 und 7 zusammen auf einen Pin am Anhängermodul gehen, dann ist es rein elektrisch ja wie du festgestellt hast zwingend die Folge, dass die immer beide gleichzeitig leuchten.

    So wie ich das verstanden habe gehen die "normalen" Rückleuchten des Wagens ja gemäß Regeln des "Wagen" Steuermoduls. Das ermöglicht innerhalb des "Wagens" eine getrennte Parkschaltung der Leuchte rechts oder Links anhand des Blinkers.

    Das Trailer-Modul bekommt halt nur das Signal "Rücklicht an" unabhängig ob Parklicht links oder rechts und dann gehen wegen der Verkabelungsart halt elektisch bedingt beider Hängerleuchten an.

    Aber deine Hängerblinker funktionieren wie sie sollen oder ?
    Bin etwas verwundert, dass die Parklicht-Funktionalität am Hänger prüfst. Das ist in keiner Anleitung für den Elektik-Test eines Hängers vorgesehen, dass sowas gehen muss.

    Habe schon 2 Wagen nachrüsten lassen und mehrerere Hänger Tüvs hinter mir. Es gibt keine Forderung, dass sowas (Park-Licht rechts / links) gehen muss.

    Ich werde das heute abend mal bei meinem Hänger ausprobieren und kann dann ggf. Vergleichtsinformationen liefern.

    Danke an UCDS für die 163 PS :thumbup:

  • Danke für Eure Hilfe.
    Ich habe es geprüft, weil ja an der 13pol Dose ein Pin für Schlusslampe links und einer für Schlusslampe rechts ist. Und wie will man das sonst prüfen, wenn nicht so. Ich möchte auch meinen, dass mein Astra angezeigt hat welche der beiden defekt war. Aber der Mondeo kann ja nur gucken, ob beide defekt sind. Und ja, meine Blinker funktionieren :)
    Ich habe mir Bilder von mehreren E-Sätzen im Internet angesehen (auch original), bei allen werden die beiden Rückleuchten auf einen Pin am Anhängermodul geschaltet.
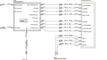
    Wäre ja mal interessant was der E-Plan dazu sagt. Wie ist denn die Pinbelegung vom Anhängermodul? Was ist mit den Modulen von Fremdanbietern (Jäger oder so). Bekommt man da die Meldung, welche der beiden Lampen defekt ist?

    Gruß

  • Also bei meinem Modul ist alles hübsch getrennt. Braun und schwarz. Und am Anhänger/Fahrradträger geht natürlich somit auch das Parklicht. Sogar auf der richtigen Seite! 8o
    Da scheint es also verschiedene Ausführungen zu geben offensichtlich... hmm

  • Wäre ja mal interessant was der E-Plan dazu sagt. Wie ist denn die Pinbelegung vom Anhängermodul?

    Normal , das beide Positionslichter gehen in Parkstellung wie soll das auch anders Funktionieren bei der Schaltung.

    Gruß Tom :fahrenlenkrad:

    ____________________________________________________________
    Dieser Beitrag wurde bereits 1.694.000 mal editiert, zuletzt von »digdog« (Heute, 01:96)

  • Passt aber nicht zu meinem Modul, hab nun mal Rücklicht (schwarz und braun) getrennt anliegen...

    Kann ich mir auch nicht zwingend vorstellen, das ein Ford Schaltplan zu einem Zubehör Modul passt .

    Gruß Tom :fahrenlenkrad:

    ____________________________________________________________
    Dieser Beitrag wurde bereits 1.694.000 mal editiert, zuletzt von »digdog« (Heute, 01:96)

  • :rotwerd: Oh, ich glaub, ich muss ´ne Fake-News wieder einsammeln!

    Also bei meinem Modul ist alles hübsch getrennt. Braun und schwarz. Und am Anhänger/Fahrradträger geht natürlich somit auch das Parklicht. Sogar auf der richtigen Seite!

    Zwar kommt das Rücklicht mit 58L und 58 R getrennt aus dem Modul raus, soweit richtig ja. Und wenn man dort z.B. ein Kabel trennen würde, hätte man eben auch nur noch auf der anderen Seite Rücklicht.
    Aber: wenn das Parklicht mittels Blinkhebel eingeschaltet ist, dann leuchten z.B. am Fahrradträger doch beide! Und die Kennzeichenbeleuchtung auch. (Hatte heut mal Neugier halber den Träger kurz rangesteckt)
    Da hatte ich ggf. noch irgend einen Bauzustand von meinem Rücklichtgebastel in Erinnerung, egal, war falsch.

    @ digdog: Das wird denn wohl mit der generellen Ansteuerung fahrzeugseitig vorgegeben und somit kanns gar kein Modul geben, dass das leisten könnte?
    Und somit gibts auch nichts, was haudrauf sinnvoll ändern könnte/müsste?

    Nebenher: eine reine einseitige Ansteuerung des Rücklichts/Parklichts wäre ohnehin ein bisschen schwierig. An meinem Fahrradträger und auch an meinem
    Klaufix würde dann ja immer noch die halbe Kennzeichenbeleuchtung mit leuchten. Wär ja auch irgendwie ne Wurscht...

    Wenn man sein Gewicht halten will, muss man auch mal grillen, wenn man keinen Hunger hat! :crazy:

  • Ok, danke Euch.
    Dann ist ja soweit alles richtig. Ich war schon kurz davor mir ein Modul vom Drittanbieter zu holen :) (nee, war Spaß).
    Es bleibt so, wie es ist.

    Gut Nacht

Jetzt mitmachen!

Sie haben noch kein Benutzerkonto auf unserer Seite? Registrieren Sie sich kostenlos und nehmen Sie an unserer Community teil!