Steckerbelegung für Heckklappe Mondeo BA7 MK4 Turnier FL BJ. 2011

  • Hallo,

    Ich bin gerade am verzweifeln :hmm: Ich habe bei meinem Mondeo BA7 Turnier FL BJ2011 eine Heckklappe von einem vFL BJ2009 eingebaut
    (den Anderen hat ein unbekannter eingefahren und ist abgehauen, die Heckklappe in der selben Farbe hatte der Schrotti da für lau) .
    Sieht zwar nicht gut aus, dieser Mondeo wird aber eh nur noch für Wald und Transportarbeiten verwendet.

    Jetzt mein Problem:
    Das Rücklicht funktioniert, Heckklappenentriegelung funktioniert auch.
    Es funktioniert aber das Bremslicht inklusive 3. Bremsleuchte, Nummerschildbeleuchtung, Scheibenwischer und der Rückmeldekontakt Heckklappe geschlossen nicht.
    Ich vermute das der Stecker vom Kabelbaum Heckklappe / Karosse anders Belegt ist.
    Ich habe beim Scheibenwischer 12V anliegen, jedoch in der falschen Polarität und Reihenfolge (3. Poliges Kabel), den Scheibenwischer hab ich mit einem Netzteil
    getestet. Daher auch meine Vermutung das die Belegung anders ist.

    Wenn ich nun eine Steckerbelegung vom FL ab BJ 2011 und eine vom vFL bis BJ2010 hätte, dann könnte ich das entsprechend umklemmen.

    Ich hab bereits Google missbraucht und hier im Forum mit sämtlichen Suchwörterkombinationen gesucht, ohne Erfolg.

    Vielleicht hat ja rein zufällig von euch da einen Tipp für mich wo ich das finden könnte :hmm:
    Herzlichen Dank schon.

  • Herzlich Willkommen hier im Forum und Grüße aus Heppenheim

    Wenn man tot ist, ist das für einen selber nicht schlimm, weil man ja tot ist ... schlimm ist es für die anderen .... genauso ist das übrigens wenn man doof ist! :D

  • Ich habe noch ein vollständiges Heckklappenkabel vom FL da (von meinem Umbau auf Rückfahrkamera). Wenn Du mir den Stecker mal abfotografieret könnte ich das rein optisch vergleichen, mit Kabelfarben etc. Dauert aber bis nächste Woche.

    Irgendwer hier hatte sich mal diese Workshop Manuals runtergeladen (https://www.easymanuals.co.uk/product/ford-m…nual-2007-2014/) da sollten in der Prüfanleitungen auch Steckerbelegungen vorhanden sein... hier gibt es frei lesbare Teile davon https://workshop-manuals.com/ford/mondeo_20…ut_this_manual/

    "Lernen ist Erfahrung. Alles andere ist einfach nur Information."

    Albert Einstein

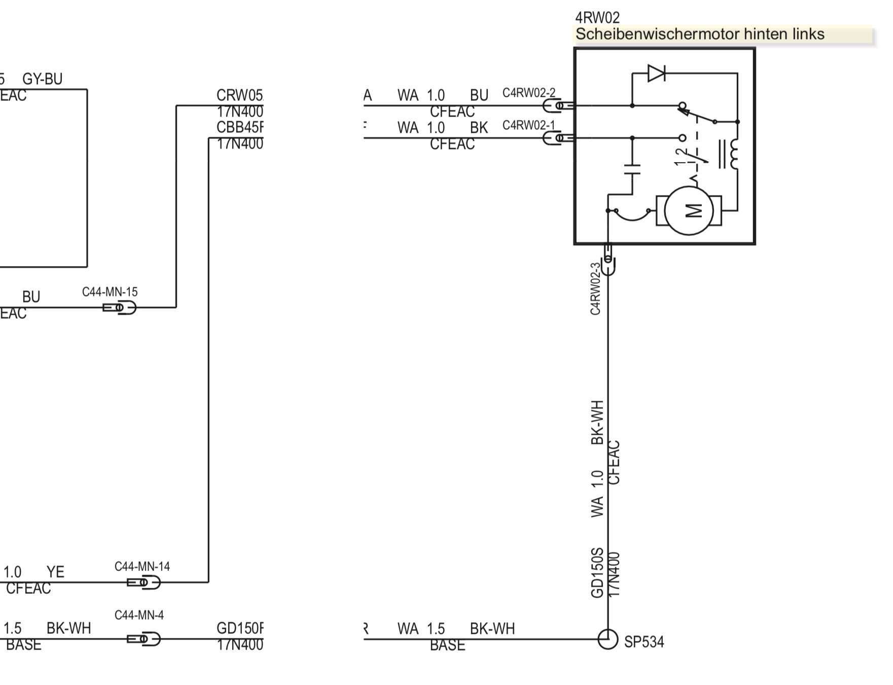
  • Steckerbelegung Scheibenwischer hinten ist bei vFL und FL gleich, gibt auch nur einen Schaltplan.

    Gruß Tom :fahrenlenkrad:

    ____________________________________________________________
    Dieser Beitrag wurde bereits 1.694.000 mal editiert, zuletzt von »digdog« (Heute, 01:96)

  • "Lernen ist Erfahrung. Alles andere ist einfach nur Information."

    Albert Einstein

  • Hallo und Danke erstmal an alle für die schnelle Hilfe,

    werde das alles mal am Freitag durchmessen und austesten.
    und hier dann mal Fotos vom Stecker und Kupplung posten.

  • Hast du deine alten Leuchten eingebaut oder die aus der "neuen" Klappe übernommen ?

    Gruß Tom :fahrenlenkrad:

    ____________________________________________________________
    Dieser Beitrag wurde bereits 1.694.000 mal editiert, zuletzt von »digdog« (Heute, 01:96)

  • Digdog, wir wissen doch das das nicht geht?! Die alten und die neuen Lampen haben unterschiedliche Halter, das passt doch nicht. Also hat er jetzt einen Mix und sicher einen Haufen DTCs im BCM :)

    "Lernen ist Erfahrung. Alles andere ist einfach nur Information."

    Albert Einstein

  • Ja, mir war da so was war , die FL Rückleuchten haben doch teilweise LED, oder ?

    Da dürfte doch anhand der Strombegrenzung ein Teil der Beleuchtung gar nicht gehen .

    Gruß Tom :fahrenlenkrad:

    ____________________________________________________________
    Dieser Beitrag wurde bereits 1.694.000 mal editiert, zuletzt von »digdog« (Heute, 01:96)

  • Interessant ist ja nun, dass grad das LED-Rücklicht geht. Der Rest sind ja noch normale Birnis.

    Wenn man sein Gewicht halten will, muss man auch mal grillen, wenn man keinen Hunger hat! :crazy:

  • Hab noch mal geguckt: die inneren Rülis unterscheiden sich ja nicht nur von der Bauform sondern auch vom Innenleben und somit vom Leuchtbild. Siehe die hier (und da) zusammengestoppelten Bildchen:

    Wenn nun durch die downgegradete Heckklappe des VFl diese mit den äußeren Leuchten des FL aneinanderstoßen - na ja. :hmm:

    Die Rüli-LED im FL verlaufen ja als schöner geschwungener Bogen im oberen Bereich (was ich x-mal besser finde als die Perlenkette im MK 5).

    Das Birni-RL vom VFl ist dagegen unten. Wenns so sein soll...

    Zu dem Kabelbaum kann ich nichts beitragen: aber wenn du Zweifel hast, ggf. hat der ja auch einen weg, nimm doch den aus der Orginalklappe?

    Wenn man sein Gewicht halten will, muss man auch mal grillen, wenn man keinen Hunger hat! :crazy:

Jetzt mitmachen!

Sie haben noch kein Benutzerkonto auf unserer Seite? Registrieren Sie sich kostenlos und nehmen Sie an unserer Community teil!