DAB-Modul nachrüsten

  • the navigation unit is the hs mca

    some call them nx navigation unit that was the older model i think..?

  • Was the mca installed in yor car, or installed by yourself together with dab modul?

    Mondeo 1993 CLX 16V 90PS
    Mondeo 2008 Titanium X 2.5T 270PS
    Mondeo 2010 2.0T Titanium S 240PS

  • I have retrofitted it original was sony dab unit...

    However i have now fixed issue

    The mca needed firmware update so now working fully..

    Thankyou to all that help me

  • Hallo Zusammen,

    ich habe einen Galaxy BJ 2013 ebenfalls mit dem MCA System. Ist DAB dort mit den gleichen Teilen nachrüstbar? Hat dies schon mal jemand gemacht?

    Danke und Grüsse

  • Ist DAB dort mit den gleichen Teilen nachrüstbar? Hat dies schon mal jemand gemacht?


    Hier im Wiki ist zumindest der Beginn einer Anleitung mit Teilenummern: https://mk4-wiki.denkdose.de/anleitungen/da…er_nachruesten/

    Gern nehme ich Fotos dafür mit auf. Ist nicht ganz billig und Du brauchst in jedem Fall einen ELM-Adapter zum umkonfigurieren des Fahrzeugs.

    "Lernen ist Erfahrung. Alles andere ist einfach nur Information."

    Albert Einstein

  • ELM ist nicht zwingend erforderlich. Zumindest hat mein MCA das DAB Modul automatisch erkannt und auch Service Linking funktioniert. Hab’s zwar nachträglich noch eingepflegt, hat aber keinen Ubterschied gemacht :)

  • Viellecht nicht vordergründig... ich würds tun. Passt denn in der Anleitung soweit alles?
    Ergänzungen, Korrekturen, ...?

    "Lernen ist Erfahrung. Alles andere ist einfach nur Information."

    Albert Einstein

  • Hab’s nur überflogen, sieht aber gut aus ;)

  • So, hab noch etliches eingearbeitet. Wird langsam :)

    Noch ne Frage zu den Teilen. Das DAB-modul selbt hat die FINIS 1866870 und ich meine diese Teilenummer: CS7T-19C128-A*. Dabei hab ich -AE oder -AF gefunden, sind die beide gleich tauglich?
    Die Gebrauchtpreise sind jenseits von gut un böse. Unter 200,- € findet man praktisch nichts. Da kann man es auch gleich für 250,- neu kaufen :-/
    Und wie ist das mit den Teilenummern für die anderen Sachen?

    Der Antennenisolator (Frequenzweiche) ist über mehrere Modelle gleich, hat nur andere Teilenummern, z.B. BS7T-18C847-AB (bevorzugt) oder DS7T-18C847-XA oder EM2T-18C847-CB. Die Gebrauchtpreise übersteigen meist den Neupreis, also hier macht man kein Schnäppchen... ;(

    Den Plastikhalter findet man praktisch garnicht gebraucht, also nur neu. Warum auch immer baut den keiner mit ab. Vermutlich wird er aus Unwissenheit der "Abdecker" zusammen mit dem Gebläse verkauft an dem er montiert ist.

    Antennenkabel findet man auch nicht gebraucht.

    "Lernen ist Erfahrung. Alles andere ist einfach nur Information."

    Albert Einstein

  • Wäre es auch beim vFl und dem FX nachrüstbar?

    Wer glaubt etwas zu sein, hat aufgehört etwas zu werden!...

  • Soweit mir bekannt nicht, zumindest nicht original. Evtl. wenn man im vFL anstelle dem NX ein MCA nachrüstet...

    "Lernen ist Erfahrung. Alles andere ist einfach nur Information."

    Albert Einstein

  • Toll...
    Dann bleibe ich bei UKW und MP3 :whistling:

    Wer glaubt etwas zu sein, hat aufgehört etwas zu werden!...

  • So, alle Teile fürs DAB sind bestellt. Mal schaun wie das klappt :)
    Wenn ich es soweit richtig verstanden habe sitzt der "Isolator" für die vordere Antenne direkt im Modul. Man greift also das Antennenkabel im Bereich der A-Säule links, höhe Armaturenbrett ab, leitet es auf das DAB-Modul und von dort aus zum Radio. Die hintere Antenne hat den Isolator oberhalb der fahrerseitigen Seitenscheibe im Kofferraum, unterm Dachhimmel.
    Jetzt muss ich nur noch den grauen Modulstecker finden oder nachrüsten. Darüber hab ich jetzt nicht so viel gelesen. Auch hab ich keinen Schaltplan oder Verlegeplan davon.

    "Lernen ist Erfahrung. Alles andere ist einfach nur Information."

    Albert Einstein

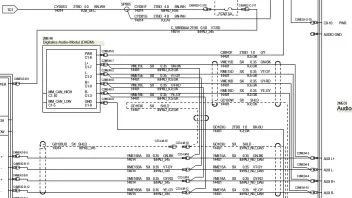
  • Also laut Schaltplan sieht das Verbindungsstück zum DAB-Modul so aus:

    Stereo-Audio kommt vom Quadlock Stecker "B", Pins:
    3+9 (AUX L)
    4+10 (AUX R)

    GND zieht sich das Modul direkt von einem Massepunkt an dem auch das Radio dran ist.
    12V erhält das Modul direkt von F43 (Motorraum) an dem auch das Radio dran hängt.
    Man könnte also das DAB-Modul auch parallel an die Radioversorgung des Quadlock dranklemmen. Wobei GND nicht unkritisch ist bei Audiogeräten. Hier sollte man wohl besser direkt einen Massepunkt anfahren um Potentialverschiebungen und damit Störgeräusche zu vermeiden.

    Zuletzt noch MM-CAN, welchen man auch vom Quadlock ziehen könnte.

    Falls man also keinen Stecker im Kabelbaum hat, dann muss man ein Kabel konfektionieren, welches vom Radio-Quadlock zum DAB-Modul verläuft. Theoretisch könnte man einen Zwischenadapter setzen. Oder gleich die Adern dort abzweigen. Aber dann richtig, nicht mit "Vampirklemmen", sondern aufspleißen, verdrillen, verlöten, isolieren (Schrumpfschlauch oder diese speziellen Schrumpfschlauch-Buchsen).

  • Mein Modul ist heut gekommen, Filter hab ich schon, nur auf die Kabel und den Halter warte ich noch.
    Selbstverständlich habe ich das Modul gleich zerlegt und kartographiert ;)
    https://mk4-wiki.denkdose.de/grundlagen/dab-modul/
    Unter anderem habe ich auch die Steckerbelegung des 10poligen "C1" dokumentiert. Falls die noch jemand braucht.
    Bin mal gespannt ob sich der Stecker irgendwo in meinem Kabelbaum befindet...

    CAN-IDs von dem Teil habe ich natürlich auch gleich gemessen. Muss das ganze aber nochmal mit einem MCA im Zusammenspiel tun, da der sonst sicherlich Informationen zurückhält.

    "Lernen ist Erfahrung. Alles andere ist einfach nur Information."

    Albert Einstein

  • Hallo Leute,

    gestern habe ich mich dabei gemacht und das original DAB Modul mit Verstärker und Kabelsatz eingebaut. Natürlich musste ich auch noch den Kabelbaum herstellen, weil der Stecker nicht vorhanden war.
    Nachdem ich dann den Mondeo eingeschaltet habe, war das DAB im Radio (MCA) und im Convers schon zu sehen. Und es funktioniert auch alles.
    Warum muss ich jetzt noch das DAB mit ElmConfig freischalten? Oder kann es so bleiben?

  • Kann theoretisch so bleiben. Technisch "sauber" wird es erst mit Einstellung in der CCC.

Jetzt mitmachen!

Sie haben noch kein Benutzerkonto auf unserer Seite? Registrieren Sie sich kostenlos und nehmen Sie an unserer Community teil!