Schaltung Frontblitzer

  • Hallo,
    brauche mal einen "Elektriker", der drüber schaut.
    Derzeit habe ich bereits eine Ähnliche Schaltung in Betrieb.
    Sinn und Zweck:
    Ich habe eine "Blitz-Modul" angeschlossen, dass ich die Nebelscheinwerfer (LED!) im "Police-Style" blitzen lassen kann. Nur Show, ja Spielerei, ja kindisch.

    Mit Relais schaltet das ganze auch brav auf reguläre Nebelscheinwerfer um, sobald diese aktiviert werden.
    Bei der saubereren Kabelverlegung, welche demnächst ansteht, möchte ich einen kleinen Fehler beheben: Die Umschaltung reagiert nur auf den rechten NSW.
    Das ist unproblematisch, da diese ja original nur gleichzeitig einschaltbar sind. Da aber demnächst u.U. noch ein Abbiegelicht-Modul einzug halten soll, muss das System komplett auf Original (oder dann halt Abbiegelicht-Modul) umschalten, wenn auch nur einer der beiden NSW an geht.

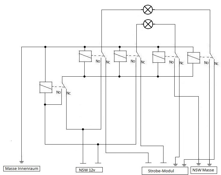
    Dazu habe ich die angefügte Skizze angefertigt. Kann da mal jemand drüber schauen?
    Es müssen alle 4 Adern (NSW + rechts, NSW Masse rechts, NSW + links, NSW Masse links) separat umgeschaltet werden, da das Blitz-Modul minusseitig und die originalen NSW plusseitig geschaltet sind.

    Wie gesagt: Das es alberne Spielerei ist, weiß ich selber. Und der Schaltplan ist auch eher eine Skizze.

    Edit: Version 2 mit 1 Relais gespart.

  • Zitat

    dem gibts auch nichts mehr hinzuzufügen ^^
    :D :D

    Mondeo 2.2TDCI 200PS mit Aisin Wandler Bj. 04/2011
    Div. Einbauten : Tieferlegung H&R 40mm - Scheinwerferfolien - Auspuffblenden - Tomanson TN16 19" mit 235/40R19

  • Am leichtesten ist es das abbiegelichtmodul weg zu lassen...
    Erstens.... Bringt das keinen Licht Vorteil
    Zweitens sieht doch scheisse aus wenn nur ein Licht angeht.


    Wenn abbiegelicht dann würde ich mal den TÜV fragen... Und dann vielleicht solche kleinen
    Arbeitsscheinwerfer wie ich nach hinten montiert habe....seitlich in die Stoßstange setzen
    (so ist es zu auch bei Lkws)
    Halt ausschneiden und dann von hinten rein...
    Sieht Mann fast nicht
    Bringt viel Licht
    Und stört deine Schaltung nicht

  • Wie dem auch sei. Ich möchte trotzdem eine separate Ansteuerung der Nebler theoretisch möglich halten.
    Es geht nur darum, ob mein Layout funktioniert und/oder es ein einfacherers Layout gibt, sprich weniger Relais etc, um das zu erreichen.

    Bei so einer Sache über Sinn und Unsin zu diskutieren - ich meine, es ist totaler SCHWACHSINN, also, so what?!

  • Hab mal drüber gesehen. Sollte so passen.
    Ein kleiner Schönheitsfehler ist, das das Relais nur mit einer Leitung vom NSW geschaltet wird. Sollte die ausfallen geht auch die andere Seite nicht. (Ist aber eher unwahrscheinlich)

    Wenn's mit der Leistung klappt, könnte man für die 4 oberen Relais mit jeweils einem Wechsler ein Relais mir 4 Wechslern nehmen.
    Werden ja sowieso alle parallel angesteuert.
    Schade das mit unterschiedlichem Potential angesteuert wird. Da könnte man sonst wieder 2 Relais (Kontakte) einsparen...

    Dann ist's nur kein KFZ-Relais mehr sondern eher ein Industrie-Relais. (Oder gibts KFZ-Relais auch mit mehreren Wechslern?)

    (alle Angaben ohne Gewähr :whistling: :D )

    Achso, ob der BUS im Spiel ist und ob's da Probleme geben kann, weißt du wahrscheinlich besser als ich.

    Gruß
    Christoph

  • Kein Bus im Spiel (bzw NSE Überwachung ist bereits überlistet), Relais habe ich schon also alles volldolllol

  • Wie bitte ?(

    Es bringt keinen Vorteil? Also ich möchte nicht mehr darauf verzichten, besonders in dunklen Ecken wo man langsam umme Ecke fährt. Zumal das bei Ford 100x besser aus schaut als bei VW wo nen Nebler an geht und der andere kaputt scheint... :rolleyes:


    Und zu Dir Spike...
    Ich find die Idee cool!
    Will mir noch Flasher hinter den Grill verbauen wie die US Police. Was ich dann damit anstelle, ist ja mir überlassen ;)

    Und zum Thema Sinn/Unsinn... Jeder hier im Forum macht etwas am Auto und da gibt es ein schönes Sprichwort.

    Wir tunen unsere Autos mit Geld was wir nicht haben, um Leute zu beeindrucken die wir nicht kennen ;)

    Also ist es völlig egal ob etwas Sinn macht oder nicht!

    Wer glaubt etwas zu sein, hat aufgehört etwas zu werden!...

  • Ich oute mich mal. Ich könnte mir vorstellen sowas in mein TFL-Blinker Projekt mit aufzunehmen. Bei Einbau von RGB bzw. RGBW LEDs anstelle der weissen und orangen wäre diese Funktion möglich. Aber auch ein roter "Jagd-Modus" oder "Grün" für die Hoffnung den Audi RS doch überholen zu können :P

    Bin derzeit auch der suche nach geeigneten lEDs. Infos bitte zu mir, pern Mail der PN oder meinem Projekt-Thread.

    "Lernen ist Erfahrung. Alles andere ist einfach nur Information."

    Albert Einstein

  • Soll halt jeder seine Meise so fliegen lassen, wie er möchte. (und das ist nicht bös gemeint)
    Was für den einen Blödsinn ist, ist für den anderen sein 'Steckenpferd'.

    Andere sammeln Ü-Eier. 8o
    Also: Wenns schee macht... Viel Erfolg. :thumbup:

    Gruß
    Christoph

  • Wenn es Spiky davon abhält Aufkleber zu kleben soll er nur weitermachen.

    Wenn man tot ist, ist das für einen selber nicht schlimm, weil man ja tot ist ... schlimm ist es für die anderen .... genauso ist das übrigens wenn man doof ist! :D

  • @noch Saibot
    Wenn du erstmal richtiges abbiegelicht gesehen hast dann wirst du auch sagen das dieses
    Pseudo abbiegelicht nichts bringt.

    Ausserdem frage ich mich.. Wie damals die Leute gefahren sind...
    Ohne esp.. Abbiegelicht usw.....
    Die sind halt anständig gefahren und haben die Augen aufgemacht

  • Ausserdem frage ich mich.. Wie damals die Leute gefahren sind...

    Das war noch die alte Schule. Die haben auch keinen Assistenten benötigt, um mal eine Kaffeepause zu machen. 8)

    Gruß aus Erfurt

    Schon der dritte vierte Ford und der Fahrer wird nicht schlau draus!

  • Dann verrate mir bitte mal wo ich das sehen kann!? Das würde ich gerne mal vergleichen!

    Ich bin damals nur alte Autos gefahren wie XR3i und so, da gab es gerade mal dieses mechanische ABS mit den Modulatoren, was aber auch nicht's brachte... Damals gab es auch kaum Heckscheibenwischer, aber ganz unpraktisch sind se ja auch nicht gell?


    Und anständig fahr ich so oder so, da mir mein Baby heilig ist! :love:

    Wer glaubt etwas zu sein, hat aufgehört etwas zu werden!...

  • Etwas ot..

    Hektischer würde bei mir bisher immer abgebaut...
    Den brauchen nur Leute die nicht mit 2aussenspiegeln fahren können.


    Ich habe da jemanden in der Familie......
    Führerschein gemacht
    Auto gekauft
    Und könnte 2Jahre später immer noch nicht am Berg anfahren..
    Und warum? Na weil das fahrschulauto nen berganfahrassi hatte.

    Das prob was ich sehe...zb mit dem notbremsassi....
    Da kommt dich die Mentalität auf das man Rasen kann wie man will
    Das Auto bremst doch automatisch....
    Wir verlassen uns viel zu viel auf die Technik
    Nur was ist wenn die mal nicht funktioniert??

    Und so ist es mit jedem assi

  • Verlassen auf die Technik? Nicht wirklich. Ich zumindest nicht.
    Ich kann am Berg anfahren, trotzdem genieße ich den Assi.
    Ich kann mein Fernlicht selber bedienen, trotzdem genieße ich den Assi.
    Das gleiche gilt für Regensensor, Klimaautomatik, Navigation...

    ESP, ABS etc sind jedoch definitiv mehr als Genuss und absolut unverzichtbar um im Notfall helfen zu können. Kein noch so guter Fahrer fährt ohne diese Systeme sicherer als mt ihnen.

  • ... obwohl ich ESP im Winter am Berg auch oft genug abschalte um vernünftig hoch fahren zu können.

    Die Technik ist halt Fluch und Segen gleichzeitig.
    Sie soll helfen - und das tut sie auch - (mehr oder weniger gut)
    Nur wenn man sich blind drauf verlässt und's Hirn abschaltet wird die sehr leicht zum Fluch.

    Ich krieg schon immer einen Brechreiz, was die Werbung suggeriert: Brauchst' nicht aufzupassen... die Technik richtet es schon.
    Und ich denke, viele Leute werden genau so angesprochen.
    Wenn ich mich mit manch einem unterhalte kommt's mir auf jeden Fall so vor.

    Ich bin jedenfalls froh, das ich 'old school' gelernt habe. (auch wenn ich heute einige Annehmlichkeiten genieße)

    Gruß
    Christoph

  • Hallo? Gehts hier noch ums Thema?

    "Lernen ist Erfahrung. Alles andere ist einfach nur Information."

    Albert Einstein

Jetzt mitmachen!

Sie haben noch kein Benutzerkonto auf unserer Seite? Registrieren Sie sich kostenlos und nehmen Sie an unserer Community teil!