• Ist das alles handwäsche, oder hast du einfach reingekärchert?

  • Kofferraum boden reparatur

    Für Jimmy

    Zur Reinigung verwende ich technisches Benzin

    Der Ladeluftkühler war sauber und es kam nur ein wenig Schwarz heraus, Typisch für diesen Motor ist Rost ,daher habe ich schwarze Farbe für hohe Temperaturen verwendet

  • Habe ich auch erst wieder hinter mir. Ich nehme das Zeug hier. Klebt einfach alles :doublethumbsup: https://big-difference.com/everglue-sprue…AiABEgKK9vD_BwE

    Wenn man tot ist, ist das für einen selber nicht schlimm, weil man ja tot ist ... schlimm ist es für die anderen .... genauso ist das übrigens wenn man doof ist! :D

  • Ich habe versucht, die isolierung der Haube zu reparieren. Ich habe es vorher stummgeschaltet, aber ich möchte dieses hier auch behalten. Ich habe Epoxy und Glasgewebe verwendet

    warum habe ich keine neue gekauft? weil der neue 140eur kostet und die reparatur 10eur

    Farbe neue ist schon dran, habe mir farbsprei machen lassen .Rost ist weg

  • Die Motorhaube ist ja schon schön angerostet.

    Wenn man tot ist, ist das für einen selber nicht schlimm, weil man ja tot ist ... schlimm ist es für die anderen .... genauso ist das übrigens wenn man doof ist! :D

  • Und das, obwohl sie schon 'ne FL ist. :hmm:

    Naja, das bekommt er sicher auch noch hin.;)

    :00000156: Wir sind über'n Berg, es geht bergab! Unser treuer Begleiter bisher in: D, A, CH, F, I , MC, L, B, NL, DK, S

  • Heute ist es mir passiert. Das auto machte geräusche, es bestand schadensgefahr, schuld war eine defekte riemenscheibe. Die Reparatur erfolgte schnell, die verwendeten Teile sind der Kontitech-Riemen, die febi-Riemenscheibe.

    nach der reparatur machte ich einen ausflug zum plansee

    meine videos

    Externer Inhalt www.youtube.com
    Inhalte von externen Seiten werden ohne Ihre Zustimmung nicht automatisch geladen und angezeigt.
    Durch die Aktivierung der externen Inhalte erklären Sie sich damit einverstanden, dass personenbezogene Daten an Drittplattformen übermittelt werden. Mehr Informationen dazu haben wir in unserer Datenschutzerklärung zur Verfügung gestellt.

  • Kann ich nur unterstützen, so etwas zeitnah zu beheben.:doublethumbsup: Gute Aktion!

    Das kann den Riemen schädigen, bis dass er runterspringt und sich dann um die Kurbelwelle wickelt, für einen "Ruck" sorgt und den Zahnriemen 1 Zahn überspringen lässt.

    Woher ich das habe? Wahre Geschichte eines Alfa 156 1.9 JTD eines Kollegen, der nicht auf unseren Rat hören wollte, die "scheppernde" Scheibe zeitnah zu ersetzen.
    Tja, dann musste der Kopf überholt werden, 1 Ventil war aufgeschlagen, verbogen und hat den Ventilsitz beschädigt. Glücklicherweise nicht mehr.

    :00000156: Wir sind über'n Berg, es geht bergab! Unser treuer Begleiter bisher in: D, A, CH, F, I , MC, L, B, NL, DK, S

  • neue einstellung in forscan beta. bcmi-Konfig

    0 bedeutet sofortige Reaktion von Windows, 2 bedeutet langes Halten der Taste verzögerte Reaktion von Windows

    https://youtube.com/shorts/aYcXOhqvu9c

  • Wenn Sie jemals einen Airbag-Fehler B1126 haben, befindet sich der Airbag-Auslösungsfehler im Sitz auf der linken Seite der Rückenlehne, daher ist es notwendig, den Sitzstecker zu trennen und wieder einzustecken. ***** Es ist ein Fehler des Steckers, wo die Kontakte schlecht befestigt sind, und wenn ich ihn erneut hineindrücke, ist er in Ordnung. Der Fehler kann durch häufiges Einstellen des Sitzes auftreten.*****

  • Ich habe mich entschieden, den Filter zu wechseln, und ich finde es gut das Bosch alle Gummis liefert. Ich habe auch einen Ballon gemacht, um es einfacher zu machen, den Kraftstofffilter zu wechseln. Der Durchmesser des Ballons beträgt 12 mm. filter nach 9monate

    Externer Inhalt youtu.be
    Inhalte von externen Seiten werden ohne Ihre Zustimmung nicht automatisch geladen und angezeigt.
    Durch die Aktivierung der externen Inhalte erklären Sie sich damit einverstanden, dass personenbezogene Daten an Drittplattformen übermittelt werden. Mehr Informationen dazu haben wir in unserer Datenschutzerklärung zur Verfügung gestellt.

  • Für den Winter gerüstet. Ich habe sie bereits gefahren ,bin sehr zufrieden und der Preis beträgt 71 Euro pro Stück, Jahr 2022. Ich empfehle

  • Wie ist denn der Winter in Deiner Region? Ich fahre keine Billigmarken mehr, seit Jahren ausschließlich Michelin für den Winter, optional Continental. Preislich liegen diese allerdings beim doppelten, in 225. Letzten Winter war ich aufgrund von Corona und homeoffice praktisch garnicht unterwegs, da hätte ich glatt die Sommerreifen drauf lassne können ;)

    Aber wir hatten hier schon Winter mit über 1,5m Neuschnee in einer Nacht...

    "Lernen ist Erfahrung. Alles andere ist einfach nur Information."

    Albert Einstein

  • Dermon4 Hankooks Hankooks nie wieder,schlechte Haltbarkeit, ich fand sie zu weich. sie waren nicht für lange km geeignet.

    Go4IT Ich muss schreiben, dass sie mich überrascht haben, das Fahrzeug hält wie geklebt, ich werde später schreiben, wie es im Schnee sein wird, aber Geld wegwerfen für die gleiche Bezeichnung wie der Buchstabe B für Wasser und Schnee, denke ich nicht sogar die Prämie wird besser sein

    https://www.testy-pneumatik.sk/zimne-235-45-17/ benutzt google traslator

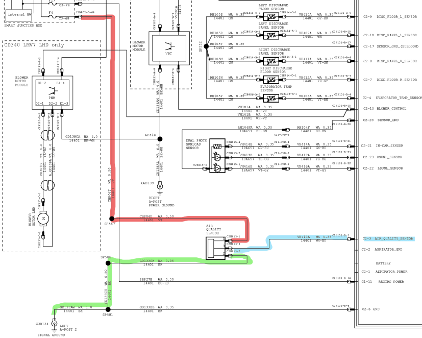
  • Installation des Luftqualitätssensors. 100% funktionstüchtig Wieder ein abgeschlossenes Projekt

    Sensor aktiviert, in der Komforteinheit. Wenn es nicht angeschlossen ist, meldet es einen Fehler, nach dem Anschließen des Sensors verschwindet der Fehler und das System funktioniert. Der Sensor regelt das Öffnen und Schließen des internen Luftkreislaufs

    https://www.amazon.de/6PX-012-684-02…e/dp/B019NC4TNO

    Externer Inhalt www.youtube.com
    Inhalte von externen Seiten werden ohne Ihre Zustimmung nicht automatisch geladen und angezeigt.
    Durch die Aktivierung der externen Inhalte erklären Sie sich damit einverstanden, dass personenbezogene Daten an Drittplattformen übermittelt werden. Mehr Informationen dazu haben wir in unserer Datenschutzerklärung zur Verfügung gestellt.

  • Hallo Marek,

    kann gut sein, dass Du den Stecker schon im Fahrzeug hast, siehe hierzu: Lage Stecker

    Die Öffnung kann man deutlich einfacher von außen machen, siehe hierzu: Öffnung von außen

    :00000156: Wir sind über'n Berg, es geht bergab! Unser treuer Begleiter bisher in: D, A, CH, F, I , MC, L, B, NL, DK, S

  • Endurance Vielen Dank für die Detailfotos, ich habe den Torpedo heute erst schallgedämmt und konnte das Loch kontrollieren und ggf. ausschneiden. Muss ich nochmal zerlegen und prüfen.

  • Was du alles an dem Auto veränderst ist schon bemerkenswert. Du bringst ihn eines Tages noch dazu autonom zu fahren.;)8):)

    "Jetzt, wo ich weiß wie es geht, versteh ich auch die Bedienungsanleitung :thinking: "

Jetzt mitmachen!

Sie haben noch kein Benutzerkonto auf unserer Seite? Registrieren Sie sich kostenlos und nehmen Sie an unserer Community teil!