Habe ein Problem mit meinem Tempomaten. Geht garnichts! Schalter, Wickelfeder, pedalschalter alles geht! Fehlerspeicher ist leer! Hat vllt wer eine idee?
Tempomat
-
Benny84 -
26. Januar 2018 um 23:49 -
Erledigt
-
-
Hallo könnte man wenigstens erstmal sagen oder meinst Du nicht?

Darf man fragen welche Software/Hardware du zum auslesen benutzt hast? Sicherung F5 im Kasten unterm Handschuhfach OK?Ein gutgemeinter Tip:
Eine solche Frage solltest Du besser in der Rubrik "Mondeoprobleme" stellen. Ich glaube da ist das besser aufgehoben. -
Hallo könnte man wenigstens erstmal sagen oder meinst Du nicht?
Wieso, er hat doch ein Problem, wenn du beim Notarzt auf der Pritsche liegst stellst du du dich ja auch nicht vor.

Hallo Unbekannter Nummer eins
Externer Inhalt www.youtube.comInhalte von externen Seiten werden ohne Ihre Zustimmung nicht automatisch geladen und angezeigt.Durch die Aktivierung der externen Inhalte erklären Sie sich damit einverstanden, dass personenbezogene Daten an Drittplattformen übermittelt werden. Mehr Informationen dazu haben wir in unserer Datenschutzerklärung zur Verfügung gestellt.Ist dein Tempomat von Neuheit verbaut , oder Nachgerüstet ?
-
Schon gut, Tom. Ich geb mich geschlagen.

Dachte nur etwas Höflichkeit wäre ja nicht verkehrt. Dem User wünsche ich natürlich trotzdem dass das Tempomat-Problem gelöst wird. -
Ich glaub ihr habt ihn vergrault, kommt ja nix mehr von ihm...

-
Wieso denn? Wir haben doch nichts gemacht.

Na warten wirs mal ab. Vielleicht meldet sich der Threadersteller ja noch. -
Zitat
hat vvlt wer ne idee
Fehler auslesen (lassen). -
ch glaub ihr habt ihn vergrault, kommt ja nix mehr von ihm...
Vielleicht hat er sich im Darkroom verirrt

-
Ok hallo zusammen. Freut mich bei euch zu sein.
Wurde bei Ford ausgelesen! Tempomat ist original, sicherung ist auch gut! Update usw alles gemacht. Die beim ffh sind ratlos der stand 1.5 tage bei dene -
Tastensatz reinigen oder tauschen.
-
Beschreib uns doch bitte mal ganz genau was wie wo alles nicht geht. Lässt er sich nicht aktivieren? Springt er raus?
Bitte so genau wie möglich und mit Historie, ob sich das Problem ankündigte, schlimmer würde oder von jetzt auf gleich. Ob es nur zeitweise ist. All das ist wichtig um die Ursache einzugrenzen.
Zur weiteren Diagnose wärs wichtig ob Du einen ELM-Adapter mit Umschalter für HS- und MS-CAN Bus zur Verfügung hast, weil ohne den wird es kaum sinnvoll möglich sein den Fehler zu finden. -
Hab das auto erst gekauft. Er lässt sich einschalten in den standby modus aber mehr nicht! Begrenzer geht super! Muss ich beim ffh fragen was die hernehmen zum auslesen
-
Ich hatte mal (nach dem Lackieren der Fahrertür) zeitweise Kontaktprobleme an den Tempomattasten. Da war sicher Schleifabrieb reingeraten.
Da gab es aber entspr. DTC Einträge (implausible Werte blablabla).
Deshalb bin ich da sehr skeptisch, wenn angeblich keine DTCs vorhanden sein sollen.
Könnte höchstens sein, dass es da Unterschiede gibt, ob ACC oder normaler Tempomat, was aber eigentlich keinen Sinn macht. -
Beschreib uns doch bitte mal ganz genau was wie wo alles nicht geht. Lässt er sich nicht aktivieren? Springt er raus?
Bitte so genau wie möglich und mit Historie, ob sich das Problem ankündigte, schlimmer würde oder von jetzt auf gleich. Ob es nur zeitweise ist. All das ist wichtig um die Ursache einzugrenzen.
Zur weiteren Diagnose wärs wichtig ob Du einen ELM-Adapter mit Umschalter für HS- und MS-CAN Bus zur Verfügung hast, weil ohne den wird es kaum sinnvoll möglich sein den Fehler zu finden.
Ich würde mich da mal mitreinhängen. Meiner Springt während der Fahrt hin und wieder raus. Also er schaltet sich dann einfach komplett ab. Normalerweise dann wieder einschalten und aktivieren dann gehts wieder. Auffällig ist das es hauptsächlich bei Regenwetter passiert. Gibt es da vielleicht Ursachen die man selber nachforschen kann? Nein Kein Elm config oder sonstigens zur verfügung. Und nächster Ford Händler auch 55km weg. -
Nein Kein Elm config oder sonstigens zur verfügung. Und nächster Ford Händler auch 55km weg.
Dann würde ich mal die Glaskugel putzen, oder den örtlichen Voodoopriester konsultieren.

Ohne Fehlerauslesen kannst du das vergessen, kann ein Kontaktproblem mit den Tasten dem Schleifring dem Bremslichtschalte usw. sein.
Wäre völlig sinnloses rumraten. -
Jetz könnt man wieder kommen mit Reklamation, Gewährleistung, vorher prüfen, bla bla. Das wirst Du alles wissen

Also, das klingt wirklich nach Tasten. Wenn irgendwas verhindert das diese den elektrischen Kontakt schließt, z.B. durch Schleifstaub, Cola Kaffee oder Babykotze zwischen Kontaktfläche und Kontaktgeber, dann gibt es weder Funktion, noch einen auslesbaren Fehler (DTC). Da hilft dann weder ELM noch IDS (Ford). Da musst Du mit einem Widerstandsmeßgerät ran!
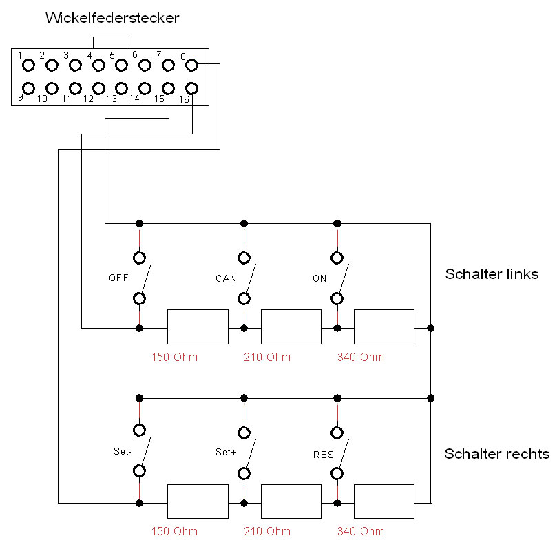
Die Tempomattasten sind direkt am Stecker der Wickelfeder verbunden (Pin 1 auf dem Foto ist links oben):

Hier musst Du zwischen Pin 15 und 16 messen um den linken Tastenblock zu prüfen.

Im Ruhezustand sollte da etwas um die 700 Ohm zu messen sein. Beim betätigen einer Taste wird der Widerstand kleiner. Das muss für jede Taste klar nachvollziehbar sein. Z.B. beim drücken von "ON" um den Tempomat zu aktivieren muss ein Wert von 500 Ohm anliegen. Die Werte können unterschiedlich sein, besonders weil Du einen Speedlimiter drin hast (hab ich jetzt nicht im Kopf), aber das macht nix. Man muss den Effekt nachvollziehen können. Messwerte aber mal notieren.
Um da ran zu kommen musst Du leider den Airbag abbauen (ACHTUNG!!! NUR IM STROMLOSEN ZUSTAND, ALSO BATTERIE VORHER AB!!!). Sollte sich rausstellen das die Tasten keinen vernünftigen Kontakt geben, dann den linken Block rausschrauben und zerlegen. Am Ende hast Du sowas vor dir zum reinigen:

Achja, ein neuer Block kostet gut mal 170,- € beim FFH. Auf ebay günstiger, aber ich würde von gebrauchten eher abraten, die haben womöglich das gleiche Problem.
P.S. Wenn Du mehr zum Tempomaten, seinem Aufbau und Funktion wissen willst, kann ich Dir diese Seite empfehlen https://mk4-wiki.denkdose.de/doku.php?id=grundlagen/tempomat/
-
@Cyberdiesel das könnte auch eine ganz andere Ursache haben, als die Tasten. Evtl. Kontaktprobleme am Kupplungsschalter und und und. Schau mal in den obigen Wiki Link von mir was alles mit dem Tempomaten zusammenhängt. Könnte auch im Motorraum ein Problem geben (Stichwort Nass)... ohne DTCs nix zu machen. Leute, kauft Euch ELM

-
Ich hole mal das Thema wieder hoch für einen Erfahrungsbericht.
Ich hatte ebenfalls das Problem, dass der rechte Tastenblock nur noch sporadisch funkionierte und regelmäßig der Tempomat
sich nicht mehr setzen ließ. Es wurde schleichend schlimmer und irgendwan, bei km Stand 280.000 ging der Tempomat dann überhaupt nicht mehr.
Ich hab dann den Tastenblock zerlegt und hatte dann die grüne Platine und die blaue Kontaktmatte auf dem Tisch liegen.
Auf der Platine selbst konnte ich keinerlei Verschleiß der Goldflächen wahrnehmen.
Auf den Goldflächen bzw. sogar Goldplättchen auf der blauen Kontaktmatte konnte ich deutliche Riefen sehen.
Ich habe dann auf gut Glück mit einem Wattestäbchen und Lackpolitur (NIGRIN) diese Kontaktflächen poliert:
Politur auf die Spitze des Stäbchens und dann rotiert auf der runden Fläche.
Anschließend diese Flächen ebenfalls mit Wattestäbchen und Bremsenreiniger gereinigt.
Seit dieser Ausbesserung bin ich nun 4000 km gefahren und bisher keine Problem mehr mit dem Tempomaten.
Ich hoffe, dieser Post ist vllt. hilfreich für andere hier im Forum. Bevor man neue Tasten kauft, kann man das versuchen.
Super fand ich auch diese genaue Anleitung zum Tempomaten in der "Denkdose MK4"
-
Hallo Forengemeinde,
gemäß meinem Beitrag oben hatte ich meinen Tempomaten vor 3 Jahren repariert. Nun habe ich einen Totalausfall der sich wie folgt darstellt:
Zunächst lies sich nur noch der Tempomat, jedoch nicht mehr der Begrenzer einschalten. Dann konnte man nur noch den Tempomaten einschalten (Symbol erscheint im Convers+), doch weder SET+, SET- hatten irgendeine Funktion.
Nun ist auch auch das einschalten des Tempomaten ohne Funktion - keine Tempomattaste löst etwas aus.
Die Navigationstasten, Hupe sowie die Vibration bei Spurverlassen funktionieren noch.
Die Denkdose habe ich gelesen: https://mk4-wiki.denkdose.de/artikel/tempomat/start
Ich habe dann heute die Fehlerspeicher mittels Forscan ausgelesen. Mehrere Fehler abgelegt, siehe:
Schön zu sehen im obigen Bild ist, dass die Fehler wohl vorher sporadisch schon auftraten (313.000 km).
Bei 337.000 km war dann nichts mehr möglich den Tempomaten zu bedienen.
Nach dem löschen aller Fehler wird sofort erneut abgelegt dieser einzelne Fehler - mit km Stand von heute 340.346 km:
B10AC - Falscher Zusammenbau - Geschwindigkeitsregelschalter
Kann man anhand der o.g. Fehlerhistorie irgendwas näher eingrenzen? Ich hatte den Tempomaten zuletzt vor besagten 3 jahren zerlegt, seitdem nichts daran verändert.
Liegt mein Problem nach wie vor bei den Tastenblöcken (falsche Widerstandswerte durch Schmutz/Korrosion)?
Oder ist hier die Wickelfeder defekt weil gar keine Taste mehr geht?
Oder liegt der Fehler an einem der Pedalschalter? Hätte das andere Fehlercodes zusätzlich?
Das Problem eilt nicht - hätte den Wagen aber gerne noch einmal repariert trotz der nun inzwischen 340.000 km

Ich würde sonst zunächst einmal die Tastenblöcke ausbauen, zerlegen, reinigen und wieder einbauen.
Bin gerade beruflich auch recht busy, muss erstmal die Zeit finden.
Vielen Dank im Voraus für eure Meinung - und insbesondere an Go4IT für die Denkdose!
Mfg MarcusB
-
Ossi
25. Juni 2023 um 03:29 Hat das Thema aus dem Forum Vorstellungsrunde für neue Mitglieder nach Elektrik & Elektronik verschoben. -
Go4IT
1. Juni 2025 um 08:34 Hat das Thema aus dem Forum Elektronik nach Tempomat verschoben.
Jetzt mitmachen!
Sie haben noch kein Benutzerkonto auf unserer Seite? Registrieren Sie sich kostenlos und nehmen Sie an unserer Community teil!