Früher* konnte jeder in Etis u.a. auch das "Gebietsschema" eines Ford abfragen.
Aber auch ein Reimport-FL-Mondeo ist 100%-ig mit Tempomat nachrüstbar
* Früher war eben alles besser! ![]()
Um schreiben oder kommentieren zu können, benötigen Sie ein Benutzerkonto.
Sie haben schon ein Benutzerkonto? Melden Sie sich hier an.
Jetzt anmeldenHier können Sie ein neues Benutzerkonto erstellen.
Neues Benutzerkonto erstellenFrüher* konnte jeder in Etis u.a. auch das "Gebietsschema" eines Ford abfragen.
Aber auch ein Reimport-FL-Mondeo ist 100%-ig mit Tempomat nachrüstbar
* Früher war eben alles besser! ![]()
Vom Baujahr her sollte sowohl das PCM als auch Das BCM die Funktion kennen
Bei einigen Focus-Modellen zB gab es glaube ich mal das Problem dass nicht alle BCM's einen Tempomaten unterstützt haben. Aber beim Mondeo MK4 glaube ich nicht dass das auch so ist. Abgesehen davon wird der Freundliche das ja wissen bzw er hätte das spätestens beim testen gemerkt.
Abgesehen davon wird der Freundliche das ja wissen bzw er hätte das spätestens beim testen gemerkt.
Die Hoffnug stirbt zuletzt modo
Hallo an alle,
als Mondeo MK4 Neuling habe ich mich natürlich gleich ans Nachrüsten von ACC rangemacht. Bis auf die Lenkradtasten ist auch alles in Ordnung, ACC ist eingelernt, Bergassistenten habe ich auch drinnen gehabt.
Davor war auch schon ein Tempomat drinnen, und zwar mit folgenden Teilen:
6M2T-14K147-CH links (nur Off und On)
6M2T-14K147-DG rechts (nur normaler Tempomat)
Es handelt sich um einen vFL. Mit Hilfe dieses Thread habe ich bereits den rechten auf 1,1 kOhm umbauen können, wenn ich dann auf der linken Seite 1,1 kOhm Widerstände in den Stecker stecke, dann verschwindet auch der Fehler B10AC.
Ich habe das Steuergerät zusammen mit folgendem linken Element bekommen:
AM2T-14K147-DA
Das hat allerdings nicht, wie hier im Thread geschrieben 1,1 kOhm, sondern 1,95 kOhm. Weiß einer von euch, welchen Widerstand ich in diesem Bedienteil umlöten muss, damit ich das ACC endlich mal aktivieren kann
? Wenn einer durchmessen könnte, wäre ich euch sehr verbunden, da ein paar Widerstände deutlich günstiger sind, als ein anderer Schalter.
Grüße von
Tycho
Du brauchst erstmal neue Tasten, mindestens den linken Tastensatz, da auch die Tasten für den Abstand vorgesehen sind.
Erstmal Glückwunsch das bis hier hin alles geklappt hat! Der linke Schalter von Dir ist komplett falsch, der richtige hat die Teilenummer 6M2T-14K147-EH.
Hallo ihr zwei,
danke für eure Antworten,
den Schalter mit der ACC-Wippe, den habe ich, der hat die von mit genannte Teilenummer.
Da ich ihn nun schon liegen habe, wäre ich jemandem sehr dankbar (gerne auch ne Paypal-Bierspende
) wenn er die Widerstände ausmessen könnte, denn ein paar Widerstände zu tauschen kostet deutlich weniger als jetzt wieder einen neuen Schalter zu kaufen.
Liege ich denn richtig mit beide Seiten 1,1 kOhm? Oder kann der rechte vom Standard-Tempomat drinnen bleiben mit 700 Ohm?
Grüße von
Tycho
Hallo zusammen,
ich melde mich mal wieder..
Nach diversen anderen Projekten habe ich mich mal wieder dem Mondeo zugewandt mit den Tempomatenproblem. -Stand By und keine Aktivierung.
Die Demontage des Airbags klappt immer besser und ich habe mal die Nummern der Tasten kontrolliert.
Linke Seite AM2T-14K147-AA und rechts 6M2T14-147-DH....
Diese Kombination habe ich hier noch nirgends gefunden. Hat jemand einen Rat??
Linke Seite AM2T-14K147-AA und rechts 6M2T14-147-DH
Daran liegts sicher nicht. Von den Tasten her sollte es funktionieren. Wenn Du kein ASL hast dann sind die OK würde ich mal sagen.
Müsse der linke Block nicht auf ein 6M2T sein, oder der Rechte ein AM2T. Da liegen ja doch 4 Jahre dazwischen...
„Standby“ signalisiert ja schonmal das scheinbar das PCM und das BCM die Funktion als solches akzeptieren, sprich die CCC korrekt zu sein scheint. Das sich der Tempomat nicht aktivieren lässt könnte schon an den rechten Tasten liegen. Man aktiviert ja mit der + oder - Taste und evtl. geben die keinen Kontakt.
Dann könnte es natürlich noch zig andere Ursachen geben das die Aktivierung verhindert. Z.B. ein Problem am Bremspedal oder Kupplungsschalter.
Mir scheint es, dass ich einem wilden Sammelsurium an Schaltern und oder Platinen zum Opfer gefallen bin.
Beide Schalterelemente sind auf dem 18.04.2011 datiert und die Linke ist mit dem eindeutigen OFF Symbol.
Nach meinem Kenntnisstand sollte ich den linken gegen einen 6M2T austauschen und alles wäre in der Standardnorm, die mir vollkommen ausreichen würde und vielleicht auch funktioniert...
Der FFH hat alle Möglichkeiten der Fehler von anderen Schaltern ausschließen können -alles funktioniert so wie es soll. Es gab auch Rückmeldungen der rechten Schaltereinheit?? (Die haben den ganzen Tag getestet und ausprobiert mit allen möglichen Einstellungen. Schlussfolgerung vom FFH - Steuergerät nicht kompatibel, soll auch schonmal bei anderen Modellen der Fall gewesen sein.
Glaub ich aber nicht, weil es bei sonst allen klappt und ich die Standard BCM BG9T-14A073-BE an Board habe,
Mein nächster Schritt wäre die Platinen eindeutig zu identifizieren und ggf. umzulöten, wobei ich mal wieder auf Hilfe hier aus dem Forum angewiesen bin -hat jemand evtl. Fotos von den 6M2T-14K147 -CH und DG zur Hand??
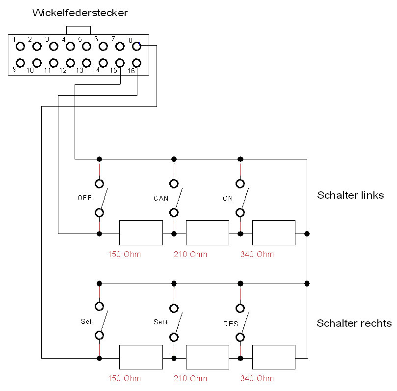
Hier mal ein Schaltplan von den Tasten. Mit einem Ohmmeter sollte das Durchmessen kein Problem sein:![]()
Wie du erkennst ergibt sich der Gesamtwiderstand in Ruhestellung auf 1,4 kOhm zwischen Pin 8 und 16 durch Addition aller Einzelwiderstände. Jede Taste brückt einen Teil der Widerstandsleiter gegen COM (Pin 15), sodass sich durch jede Taste ein anderer Widerstandswert ergibt. Du misst also zwischen 15 und 16 den Wert für den linken Tastenblock und zwischen 15 und 8 den für den rechten.
Die Widerstände haben Toleranzen, also müssen die Werte nicht 100% übereinstimmen. Rechne mit bis zu 5% Abweichung, das wär ok.
Einfach nur Perfekt..
Werde mich gleich morgen daran setzen...
Vielen Dank....
Hallo zusammen,
das Tasten ausbauen geht nun immer schneller, auch Dank eines gebogenen Schraubendrehers ![]()
Meine Tasten waren allerdings Perfekt... Den richtigen Widerstand, so daß ich nichts umlöten musste und auch haben sie den Funktionstest mit Bravour bestanden...
Ich habe sie dann mal wieder eingebaut, den Steckkontakt zum Lenkrad vorsorglich und gefühlvoll mit
Kontaktspray (nicht eingesprüht, sonder getupft)bearbeitet, und siehe da, KEINE Veränderung nono
Bei meinem letzten Werkstattbesuch wollen sie ja alle weiteren Komponenten getestet und für gut befunden haben, so dass der Fehler weiter eingegrenzt werden kann... Das Combiinstrument zeigt auch keinen Fehler an..
Ich werde es mal bei meiner Werkstatt um die Ecke versuchen, Fehler auslesen, ggf. die Programmierung kontrollieren.. Bis zur Urlaubfahrt nach Frankreich habe ich ja noch ein wenig Zeit ![]()
Die Anzeige im Kombiinstrument ersetzt auch keine Fehlerauslese mit einem dafür geigneten Gerät wie etwa einem ELM-Adapter (mit Can-Umschalter
) oder geschweige denn einem IDS bei Ford. Die Werkstatt um die Ecke - ist das auch eine Ford-WS? Ist selbstverständlich deine Entscheidung, ganz klar, aber sowas würde ich lieber einem FFH überlassen wenn schon.
Es gibt allerdings noch eine andere sinnvolle Alternative und zwar warum holst du dir nicht einen ELM-Adapter (hier im Forum mal Spike1985 fragen) dann Forscan runterladen, damit den Fehlerspeicher auslesen und das Ergebnis dann hier posten. Weil die Ursache warum das Ding sich nicht aktivieren lassen will muss ja endlich mal gefunden werden. Falls Forscan DTC's anzeigt und Du diese hier postest kann man Dir sicher besser weiterhelfen.
Hallo zusammen,
Danke für den Tipp mit dem ELM Adapter. Vielen Dank´für die schnelle Lieferung an Spike1985.
Mein Schrauber um die Ecke ist kein Ford Händler und traut sich auch nicht daran, hat aber meinen alten Mondeo MK3 immer ordentlich betreut. Meine Motivation, einem anderen FFH nochmals 120 Euro zu hinterlegen und ohne Ergebnis wieder vom Hof zu fahren ist gegen Null ![]()
Heute habe ich mich dann mal daran gewagt...
Leider nichts. Keine Fehlermeldung vorhanden. -
Mein nächster Schritt wäre es die Einstellungen im BCM und PCM zu kontrollieren.
Muß erst noch die ELMconfig installieren und mich hier und Wiki MK4 aufschlauen.. ![]()
Ich schau dann gerne per Fernwartung mit rein.
Mein nächster Schritt wäre es die Einstellungen im BCM und PCM zu kontrollieren.
Muß erst noch die ELMconfig installieren
Denk aber dran immer bevor Du zb. mit elmconfig in die Einstellungen der Car Config reingehst mit elmconfig ein Backup der Original-Config zu machen und zb auf einem USB-Stick oder so abzuspeichern!
Manche haben das leider nicht gemacht und später bereut ![]()
@Bibo1403, schlau machen schadet nie. Ich würde Dir diesen Bereich im Wiki empfehlen: https://mk4-wiki.denkdose.de/grundlagen/elmconfig/start
Hallo zusammen,
heute war es dann so weit.. Das WIKI ist echt Klasse
Bin mit der ELMConfig eingestiegen. Habe eine Fehlermeldung im ABS
-U0126:00-08 Keine Kommunikation mit SASM -Staus: -Vorher gesetzter DTC -Nicht vorhanden zum Zeitpunkt der Anfrage, -Fehlfunktions Indikator Lampe ist AUS für diesen DTC ,-Modul: Antiblockier Bremssystem .
Meine Anfangsvermutung mit dem falsch oder nicht in beiden Systemen (BCM und IPC) gesetzten Werten für den Tempomaten haben sich nicht bestätigt. Beide Einstellungen gleich auf With cruise control.
Das Backup konnte ich bisher noch nicht machen, der Rechner hat sich verweigert, bzw. der Speicherort wurde nicht angenommen. Ich werde es beim nächsten Mal mit einem stick oder anderen Laufwerk probieren, bevor ich etwas ändere, falls es Not tut..
Was ich etwas seltsam finde ist die Motorbezeichnung: Engine 1.6L 170PS GTDI...
Ansonsten ist mir bisher noch nichts weiter aufgefallen.
Vielen Dank für die Unterstützung...
EDIT: BACkUP gezogen und mit Original verglichen:
Die Motorbezeichnung ist auch bei Beiden gleich. Was mich verwundert, die falsche Leistungsangabe ??
Sie haben noch kein Benutzerkonto auf unserer Seite? Registrieren Sie sich kostenlos und nehmen Sie an unserer Community teil!