Unterschied Tempomattasten Fl und vFl ?

  • Hallo,

    ich Antworte dir mal hier auf deine PN.

    Du musst einen Teil der Widerstände auf den Schalterplatinen Austauschen und ein
    paar entfernen und durch Brücken ersetzen.
    Wenn du schon mal SMD Bausteine gelötet hast kein Problem.

    So Einbauen Plug&Play ist nicht .
    Da hat der liebe Marc geschwitzt , was :D

    Edit: Den Kasten im Kabelbaum hab ich bis jetzt weder bei FL noch bei vFL Tastensätzen gesehen.

    Gruß Tom :fahrenlenkrad:

    ____________________________________________________________
    Dieser Beitrag wurde bereits 1.694.000 mal editiert, zuletzt von »digdog« (Heute, 01:96)

    2 Mal editiert, zuletzt von digdog (15. Dezember 2015 um 22:20)

  • Danke Dir DigDog,

    dann werde ich die Tasten wohl wieder verkaufen :| und mir die passenden besorgen, sobald ich welche finde, die nicht mein geplantes Budged :wacko: sprengen.

    Vielen Dank an alle Mitwirkenden :thumbup:

    mfg Kai aka SilentShadow

  • Also ich habe bereits 2x ein Lenkrad vom vFL bei allegro.pl gekauft und diese bei 2 Freunden erfolgreich eingebaut und freigeschaltet.
    Beide Lenkräder waren sogar in einen sehr guten Zustand, sodass wir gleich das gesamte Lenkrad getauscht haben.

  • sobald ich welche finde, die nicht mein geplantes Budged sprengen.

    Kumpel von mir hat noch einen Satz VFL Tasten mit Kabelbaum als Reserve da liegen , wenn du willst frage ich ihn ob er sich davon trennen möchte.

    Gruß Tom :fahrenlenkrad:

    ____________________________________________________________
    Dieser Beitrag wurde bereits 1.694.000 mal editiert, zuletzt von »digdog« (Heute, 01:96)

  • So, hab ihn gefragt 120€ will er haben.

    Hier ein paar Bilder.





    Gruß Tom :fahrenlenkrad:

    ____________________________________________________________
    Dieser Beitrag wurde bereits 1.694.000 mal editiert, zuletzt von »digdog« (Heute, 01:96)

  • und weiter gehts



    Gruß Tom :fahrenlenkrad:

    ____________________________________________________________
    Dieser Beitrag wurde bereits 1.694.000 mal editiert, zuletzt von »digdog« (Heute, 01:96)

  • Ich weiß ja nicht wie schnell Silent das hier liest aber sieht doch gut aus ... würde sagen die nimmt er sicherlich ...
    Denke mal die sind Fehlerfrei oder ?

    das praktische ist ja ... freigeschaltet ist schon alles :D  :D muss ich nur noch einbauen dann

    Mondeo 2.2TDCI 200PS mit Aisin Wandler Bj. 04/2011
    Div. Einbauten : Tieferlegung H&R 40mm - Scheinwerferfolien - Auspuffblenden - Tomanson TN16 19" mit 235/40R19

  • Getestet im Eingebauten Zustand hat die keiner.Mein Kumpel wollte damals nur
    das Lenkrad haben was er sich Umbauen und Umpolstern lassen hat.


    Ohmisch durchgemessen hab ich Sie , da sind sie in Ordnung.

    Kannst du sie im uneingebauten Zustand testen ?

    Dann hätte ich Sie dir vorab zugeschickt zum probieren , falls sich dann ein Fehler rausstellt hätte Silent
    nur das Rückporto in den Sand gesetzt.
    Wenn OK soll er dir die Kohle geben, meine Paypal Daten hast du ja noch von der Räder Aktion , vertraue dir da voll und ganz :D

    Gruß Tom :fahrenlenkrad:

    ____________________________________________________________
    Dieser Beitrag wurde bereits 1.694.000 mal editiert, zuletzt von »digdog« (Heute, 01:96)

  • ich sprech das mit ihm ab aber eigentlich kannst mit ihm direkt machen zum endgültigen testen muss ich sie aber einbauen ist ja bei dem Modell aber kein langes Drama

    Mondeo 2.2TDCI 200PS mit Aisin Wandler Bj. 04/2011
    Div. Einbauten : Tieferlegung H&R 40mm - Scheinwerferfolien - Auspuffblenden - Tomanson TN16 19" mit 235/40R19

  • Getestet im Eingebauten Zustand hat die keiner.Mein Kumpel wollte damals nur
    das Lenkrad haben was er sich Umbauen und Umpolstern lassen hat.


    Ohmisch durchgemessen hab ich Sie , da sind sie in Ordnung.

    Kannst du sie im uneingebauten Zustand testen ?

    Dann hätte ich Sie dir vorab zugeschickt zum probieren , falls sich dann ein Fehler rausstellt hätte Silent
    nur das Rückporto in den Sand gesetzt.
    Wenn OK soll er dir die Kohle geben, meine Paypal Daten hast du ja noch von der Räder Aktion , vertraue dir da voll und ganz :D

    Kannst du mir kurz erklären, wie man die Funktion misst? Ich habe die Stecker von den schwarzen Tasten gezogen und da gemessen mit jeweiligem Tastendruck, aber jeweils funktionierte nur die untere schwarze Taste und das waren jeweils die beiden rechten Kontakte.

  • Gruß Tom :fahrenlenkrad:

    ____________________________________________________________
    Dieser Beitrag wurde bereits 1.694.000 mal editiert, zuletzt von »digdog« (Heute, 01:96)

  • "Lernen ist Erfahrung. Alles andere ist einfach nur Information."

    Albert Einstein

  • Habe getestet und rechts geht gar nichts.

    Links sind die Widerstände so:

    on 1064

    can 1064

    off 701

    Stecker umgesteckt, dann:

    set+ 651

    res 1065

    set- 703

    Kabelbruch?

    Werte falsch?

  • Wie sagte mein Physiklehrer? "Wer misst, misst Mist."

    Es gibt viele Möglichkeiten, falsch zu messen, aber nur nur eine, richtig zu messen.

    Wie hast Du denn genau geprüft?

    - an welchen Pins? Direkt am Schalter? Am Wickelfederstecker des Lenkradstrangs? Wo sonst?

    - waren die Schalter währenddessen am Fahrzeug angeschlossen oder lose auf der Werkbank?

    - mit welchem Equipment? Wenn einfaches Multimeter, ist die Batterie da drin frisch?

    - ist es die korrekte Schaltereinheit (vor/nach Facelift, mit/ohne Abstandsregler etc)?

    Ein treuer Begleiter, ein ganz gewöhnlicher MK4 vFL Benziner, nix Ausgefallenes, einzig: es ist KEIN Turnier.

  • Was falsch sein könnte ist Spekulation...

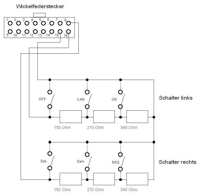
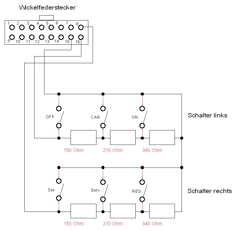
    Ich glaube Du misst an den falschen Punkten. Die Werte machen nur "Sinn" wenn Du nicht von Widerstandsleiter nach Common misst (Pin 8 zu 15, Pin 16 zu 15), sondern zwischen den Widerstandsleitern (Pin 8 zu 16)


    "Lernen ist Erfahrung. Alles andere ist einfach nur Information."

    Albert Einstein

  • Hey,

    ich bin Marcel und neu hier im Forum. Da ich seid ein paar Wochen Besitzer eines Mondeos (vFL 2008) bin und ich gerne den Tempomat nachrüsten möchte bin ich auf dieses Forum gestoßen.

    Ich habe mir Tasten (Tempomat + Geschwindgkeitsbegrenzer) mit Kabelbaum aus England besorgt, eingebaut und wie beschrieben über ELMconfig (Seite 2 „With adaptive Cruise Control“ ASL) aktiviert, jedoch ohne Erfolg. Zuallererst einmal vielen Dank an denjenigen welcher Sich die Mühe gemacht hat und die Anleitung geschrieben hat, das hat mir sehr geholfen.

    Wenn ich diesen Beitrag nun richtig verstanden habe, scheint das Problem bei den linken Tasten zu liegen da sie 1100 Ohm haben anstatt der 700 durch den Geschwindigkeitsbegrenzer. Gab des vor dem Fl keinen Geschwindigkeitsbegrenzer oder was ist denn da überhaupt das Problem!? Gibt es keine Möglichkeit, bis auf um löten der Widerstände, das Konstrukt zum Laufen zu bekommen?

    Da ich schon fürchte um´s löten nicht rumzukommen, hat jemand die Info welche Widerstände ich durch welche ersetzten muss? Leider sind in der großartigen Anleitung ("Innenleben" der Tempomat-Tasten (Teardown) [MK4-Wiki] (denkdose.de)) gerade die Widerstände, welche für mich interessant sind (R7 – R11) nicht mit Werten angegeben.

    Und bevor ich es vergesse … als ich meine Tasten auseinandergenommen habe, um sie zu säubern und durchzumessen ist mir aufgefallen das, zumindest für meinen Kabelbaum, der Verdrahtungsplan aus der Anleitung nicht gepasst hat. In meinem Fall waren die Pins 8 und 16 vertauscht, eventuell weil mein Kabel aus England kommt!? Jedenfalls habe ich wo anders im Internet einen Schaltplan gefunden, welcher für mein Kabel gepasst hat, bei bedarf lade ich ihn gerne hoch (bin mir jedoch nicht sicher, inwiefern ich „Fremdmaterial“ verwenden darf).

    Wenn ihr mir da helfen könntet, wäre das echt Mega, ich freue mich auf einen großartigen Austausch.

    Und entschuldigt den langen Text =)

    Liebe Grüße Marcel :3

  • Gab des vor dem Fl keinen Geschwindigkeitsbegrenzer oder was ist denn da überhaupt das Problem!?

    So ist es , gab es erst mit dem FL.

    Gibt es keine Möglichkeit, bis auf um löten der Widerstände, das Konstrukt zum Laufen zu bekommen?

    Nein

    Gruß Tom :fahrenlenkrad:

    ____________________________________________________________
    Dieser Beitrag wurde bereits 1.694.000 mal editiert, zuletzt von »digdog« (Heute, 01:96)

Jetzt mitmachen!

Sie haben noch kein Benutzerkonto auf unserer Seite? Registrieren Sie sich kostenlos und nehmen Sie an unserer Community teil!