Auto springt 1 Woche nach Unfall nicht mehr an

  • Wie schonmal von mir erwähnt, würde ich am BCM mal alle Stecker überprüfen... Auch wenn du schwer ran kommst... :crazy:

    Du meinst sicher PCM, nicht BCM. Kleiner, aber sehr wichtiger Unterschied.

    Ein treuer Begleiter, ein ganz gewöhnlicher MK4 vFL Benziner, nix Ausgefallenes, einzig: es ist KEIN Turnier.

  • hmmm... nach all dem lesen und verstehen versuchen...

    vor 8 Tagen hatte das auto eine leitplanke kennengelernt. infolgedessen 5 tage gestanden und wohl auch infolgedessen einen werkstatttermin am Wochenende wahrnehmen wollen.

    mich treiben zwei fragen um: wenn ich (meine annahme) wg. des unfalls doch ohnehin zum schrauber will, das auto aber gerade nicht... weshalb doktor ich dann drei, vier tage ohne anhaltspunkt rum, zudem die naheliegenden ursachen recht schnell ausgeschlossen werden konnten?... und schleppe (zuendung tut's, kein lenkradschloss, auto lenk- und bremsbar!?) das teil in die werkstatt? oder lasse abschleppen? der wagen soll/muss doch eh hin.

    lieber noch mal einen neuen akku, weiter rumfriemeln und noch mal zwei tage frust ziehen... mkay, jeder, wie er mag.

    andere frage, die sich da mir auftut... betrifft die vorgeschichte. üblicherweise fahre ich auf straßen rechts. zwischen meiner linken fahrzeugseite und einer kuschelwilligen leitplanke ist im normalfall noch ein asphaltteppich fuer den gegenverkehr. da habe ich zum kuscheln nichts verloren.

    manchmal, wenn es mehrspurig ist, geht es aber auch schon mal links. in der regel ist das eine autobahn. da kann man kuscheln. das finden die, die dann rechts an einem vorbei müssen oder wollen, aber meistens doof. die hinter einem auch.

    vllt. gibt es zusammenhänge, vllt. karma...

    :00000156:

    Ich sehe was, was Du nie siehst.

  • Zu Frage 1 könnte ich mir vorstellen, dass man sich vor einer "größeren Aktion" eventuell klarmachen möchte, ob sich das in Summe noch lohnt.

    (Würde ich zumindest bei meinem 2008er machen.)

    Frage 2 kann nur der Themenstarter beantworten und verantworten.

    :00000156: Wir sind über'n Berg, es geht bergab! Unser treuer Begleiter bisher in: D, A, CH, F, I , MC, L, B, NL, DK, S

  • So, jetzt wird der Hund in der Pfanne verrückt, denn es scheint, als hätte Ossi mit seiner These recht und oldrebel war anfangs mal nah dran oder doch nicht?

    Am Sonntag hatte ich nochmal recherchiert und herausgefunden dass es auch schon andere gab, bei welchen die Wegfahrsperre aktiviert wurde wegen einer fertigen Batterie. Manche haben einen Batterie Reset gemacht, manche nicht. Wie dieser Batterie Reset funktioniert (Zündung ein,5x Nebelschlussleuchte und dann 3x Warnblinker) hab ich mir gegoogelt und siehe da: das Auto hat endlich wieder Lebenszeichen von sich gegeben, wenn auch nur im Kombiinstrument. Denn starten wollte sie Sau immer noch nicht.

    Bin dann heute nochmal an den Sicherungakasten im Beifahrerfussraum gekrabbelt, hab ihn geöffnet alles nochmal angefasst und stellte fest: alles in bester Ordnung. Nachdem ich dann alles wieder verschlossen habe und mich mühevoll hochgezogen habe merkte ich, dass die Innenraumbeleuchtung wieder geht (und die ging vorher nicht als die Wegfahrsperre aktiviert war).

    Da drehe ich den Zündschlüssel um und der Gute will starten (allerdings Batterie zu schwach).

    Ich kann es kaum glauben, aber sowas ähnliches hatte ich damals mit einem BMW auch, da war es nur die Batterie.

    Das Ganze bestätigt mich jetzt aber noch mehr darin, eine neue Batterie zu kaufen. Ich werde berichten, bin jetzt aber schon deutlich erleichtert ?

    "Tell him he's Wayne Gretzky." - Oilers coach Ted Green, after Shaun Van Allen suffered a concussion and couldn't remember who he was.

  • Zitat

    Bin dann heute nochmal an den Sicherungakasten im Beifahrerfussraum gekrabbelt, hab ihn geöffnet alles nochmal angefasst und stellte fest: alles in bester Ordnung. Nachdem ich dann alles wieder verschlossen habe und mich mühevoll hochgezogen habe merkte ich, dass die Innenraumbeleuchtung wieder geht (und die ging vorher nicht als die Wegfahrsperre aktiviert war).

    ?

    Hatte ich doch geschrieben, alle Kontakte am BCM mal zu überprüfen...

    Irgend ein Stecker hatte Kontaktprobleme...

    Ruhig nochmal dann später, wenn du besser von der Beifahrerseite ran kommst, alle Stecker mal abziehen und die Kontakte mal überprüfen..

    Dann mach erstmal eine frische Batterie rein, und lese dann nochmal den Fehlerspeicher gleich aus.... :doublethumbsup:

    „Wer immer tut, was er schon kann, bleibt immer das, was er schon ist.“
    Henry Ford (1863–1947)

    Einmal editiert, zuletzt von Black Panther (12. Juli 2022 um 02:47)

  • @IM99-Gold: Was war denn da passiert? Sieht nach Wasser aus.

    :00000156: Wir sind über'n Berg, es geht bergab! Unser treuer Begleiter bisher in: D, A, CH, F, I , MC, L, B, NL, DK, S

  • Vermutlich die (beim Focus bekannte) defekte Spritzwasserpumpe. Austropfendes Spülmittel frisst sich durch die Kabel bis zum BCM durch und lässt alles unterwegs korrodieren, schlimmstenfalls die Platine vom BCM selber auch. Ob das beim Mondeo auch relevant ist, kann ich aber nicht sagen.

    Ein treuer Begleiter, ein ganz gewöhnlicher MK4 vFL Benziner, nix Ausgefallenes, einzig: es ist KEIN Turnier.

  • Augustiner erstmal Glückwunsch und meinen Respekt das Du so lange und beharrlich den Fehler gesucht hast. Nicht wenige hätten aufgegeben. Das mit dem Batteriesensor ist mir immer noch etwas rätselhaft. Ich glaube Dein Problem liegt dann wohl offensichtlich im grünen BCM-Stecker oder im BCM selbst. Wenn der Stecker äußerlich keine Beschädigungen/Verschmutzungen aufweist dann wackel mal dran im eingebauten Zustand mit Zündung an. Wir hatten hier auch schon Fälle wo das BCM einen weg hatte.

    In Summe sehe ich zwar nicht zwingend einen Zusammenhang zum Unfall, aber wer weis.

    Wenn der Stecker in Ordnung scheint (diese Lila Schutzkappe kannst Du auch vorsichtig nach vorn raus hebeln, dann siehst Du die Kontakte besser (Lampe)) dann bau das BCM mal ganz aus und öffne den Deckel (ist nur geclipst) und schau wie es innen aussieht (Fotos machen).

    oldrebel Kenne ich beim Mondeo überhaupt nicht. Beim Focus war das Problem das die Leitung der Pumpe direkt ins BCM führt. Wird die Pumpe undicht zieht sich das Reinigungswasser aufgrund der Kapillarwirkung durch die Adern bis ins BCM . Beim Mondeo ist die Pumpe zusätzlich über ein Relais geschaltet, da sollte sowas also nicht vorkommen.

    "Lernen ist Erfahrung. Alles andere ist einfach nur Information."

    Albert Einstein

  • Da der TE ja scheinbar auf dem richtigen Weg ist, trotzdem noch ein Hinweis bzgl. Abschleppen falls es sein muss: bei einen Schutzbrief sollte es bei der VS egal sein, wo der Karren steht. Die holen den überall raus normalerweise. Denn was wäre als Beispiel, wenn ein Steuergerät kaputt wäre und das Auto steht in einer Garage wo man das Auto nicht rausbekommt ohne fremde Hilfe?

    Meinen Mondeo hat man mal direkt aus der Grundstückseinfahrt aufgeladen und nur 500m weiter zur Werkstatt geschleppt. Denen war das egal, wo das Auto stand und wie weit weg die Werkstatt ist.

    Daher habe ich mir bislang den Beitritt zum ADAC gespart.

    Mfg
    - bravasx -

    Familienkutsche:
    2013 - 2017 --> Ford Mondeo Turnier Titanium MK4 | Panther Schwarz Metallic | EZ 07 / 2009 | 2.0 Duratec ( 145 PS )
    2017 - 2021 --> Ford S-Max Titanium MK1 | Frost Weiß | EZ 11/2011 | 1.6 Ecoboost ( 160 PS )

    ab 2021 --> Ford S-Max Titanium MK2 | Magnetic Grey | EZ 11/2016 | 2.0 TDCI AWD (150 PS )

  • oldrebel Kenne ich beim Mondeo überhaupt nicht.

    Ich auch nicht. Nur der gezeigte Stecker erinnert mich an die Focus-Sache. Und für diese ist der Effekt ja ausführlich dokumentiert (siehe Ford-Forum).

    PS: Ich weiß nicht ob sich der innere Aufbau der BCMs vom Mondeo und Focus so gravierend unterscheiden, aber die Pumpe wird beim Focus genauso über zwei Relais angesteuert, die sich in der BCM-Box befinden. Für den Prozessor direkt wäre die Stromaufnahme der Pumpe viel zu hoch.

    Ein treuer Begleiter, ein ganz gewöhnlicher MK4 vFL Benziner, nix Ausgefallenes, einzig: es ist KEIN Turnier.

  • Das der Sensor den Fehler ein Stück beeinflusst, kann ich mir auch kaum vorstellen!

    Wenn man tot ist, ist das für einen selber nicht schlimm, weil man ja tot ist ... schlimm ist es für die anderen .... genauso ist das übrigens wenn man doof ist! :D

    Einmal editiert, zuletzt von Ossi (12. Juli 2022 um 17:01)

  • Ich auch nicht. Nur der gezeigte Stecker erinnert mich an die Focus-Sache. Und für diese ist der Effekt ja ausführlich dokumentiert (siehe Ford-Forum).

    PS: Ich weiß nicht ob sich der innere Aufbau der BCMs vom Mondeo und Focus so gravierend unterscheiden, aber die Pumpe wird beim Focus genauso über zwei Relais angesteuert, die sich in der BCM-Box befinden. Für den Prozessor direkt wäre die Stromaufnahme der Pumpe viel zu hoch.

    Ich "durfte" dieses Schadbild mal bei einem Focus reparieren, ein Riesenspaß für die ganze Familie ;)

    Was ich aber meinte war, das beim Mondeo im Gegensatz zum Focus die Pumpe nicht direkt sondern über ein externes Relais (R10 im Motorraum-Sicherungskasten) angesteuert wird. So kann die Flüssigkeit durch die Pumpenmotorleitung max. bis ins Relais vordringen. Ich meine beim Focus gibt es dieses externe Relais nicht und das Kabel geht direkt ins BCM.

    "Lernen ist Erfahrung. Alles andere ist einfach nur Information."

    Albert Einstein

  • Ich denke, Du vermischt die normale mit der Scheinwerferreinigungspumpe. Letztere wird bei beiden Modellen über ein externes Relais angesteuert.

    Aber lassen wir das besser, wir führen das Thema ja sonst zu weit ins Offtopic.

    Ein treuer Begleiter, ein ganz gewöhnlicher MK4 vFL Benziner, nix Ausgefallenes, einzig: es ist KEIN Turnier.

  • Vermutlich die (beim Focus bekannte) defekte Spritzwasserpumpe. Austropfendes Spülmittel frisst sich durch die Kabel bis zum BCM durch und lässt alles unterwegs korrodieren, schlimmstenfalls die Platine vom BCM selber auch. Ob das beim Mondeo auch relevant ist, kann ich aber nicht sagen.

    Kenne ich beim Mondeo überhaupt nicht. Beim Focus war das Problem das die Leitung der Pumpe direkt ins BCM führt. Wird die Pumpe undicht zieht sich das Reinigungswasser aufgrund der Kapillarwirkung durch die Adern bis ins BCM . Beim Mondeo ist die Pumpe zusätzlich über ein Relais geschaltet, da sollte sowas also nicht vorkommen.

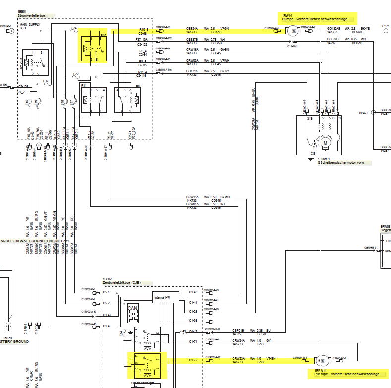
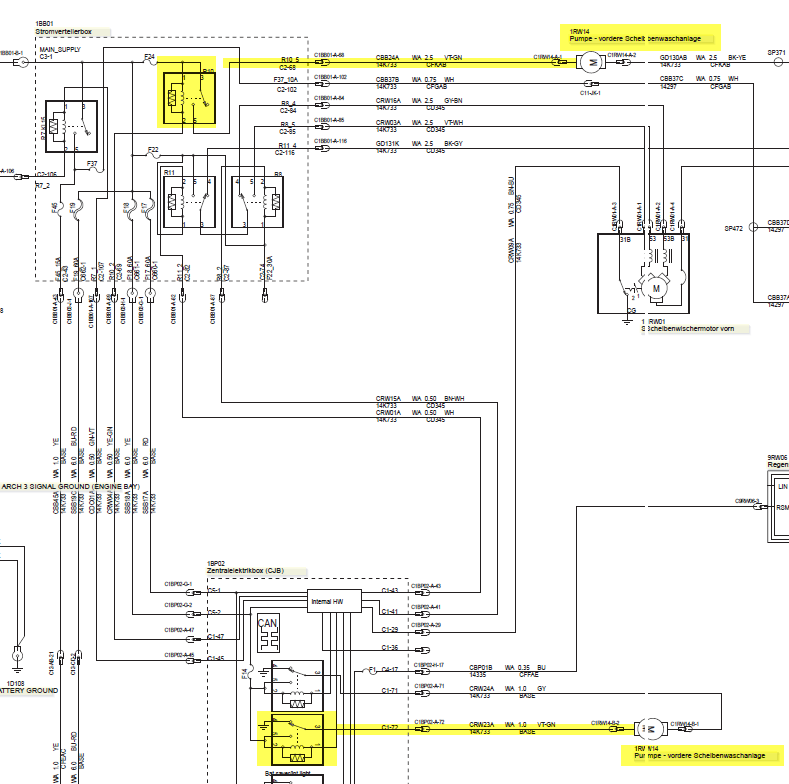
    Richtig... Ist nur mal ein Symbolbild aus dem Netz, um zu zeigen, was sein könnte... :doublethumbsup:

    „Wer immer tut, was er schon kann, bleibt immer das, was er schon ist.“
    Henry Ford (1863–1947)

  • jetzt gibts Durcheinander.

    Wenn man tot ist, ist das für einen selber nicht schlimm, weil man ja tot ist ... schlimm ist es für die anderen .... genauso ist das übrigens wenn man doof ist! :D

  • @Go4IT, @oldrebel

    In einem Video aus UK wurde das in Zusammenhang mit einem Mondeo gezeigt, FL: Von der Waschwasserpumpe in den grünen Stecker.

    https://www.youtube.com/watch?v=eYGlM1gYzuc

    :00000156: Wir sind über'n Berg, es geht bergab! Unser treuer Begleiter bisher in: D, A, CH, F, I , MC, L, B, NL, DK, S

  • Ich denke, Du vermischt die normale mit der Scheinwerferreinigungspumpe. Letztere wird bei beiden Modellen über ein externes Relais angesteuert.

    Aber lassen wir das besser, wir führen das Thema ja sonst zu weit ins Offtopic.

    Ich finde das nicht Off-Topic, denn wenn es dieses Problem im Mondeo gibt, dann könnte Augustiner davon betroffen sein und es ist purer Zufall das es jetzt erst Auswirkungen zeigt.

    Und sorry das ich hier quatsch erzählt habe, bin auf einen Planfehler reingefallen, denn Ford hat beide Pumpen im Schaltplan mit "Pumpe - vordere Scheibenwaschanlage" bezeichnet:

    P.S.: Ich habe dem Thema grundsätzlich mal einen Platz im Wiki gegeben: https://mk4-wiki.denkdose.de/artikel/fehler…h_defekte_pumpe

    "Lernen ist Erfahrung. Alles andere ist einfach nur Information."

    Albert Einstein

  • Guten Morgen zusammen,

    gestern neue Batterie eingebaut und siehe da. Mondi springt sofort an Und läuft.

    Fehler ausgelesen (gespeichert) und alle gelöscht. Kam dann auch nichts mehr, ABER: wollte das Auto dann später via Fernbedienung und ZV abschließen und nichts passierte.

    Hab mich ins Auto gesetzt und scheinbar war die Wegfahrsperre wieder aktiv. Schlüssel ins Zündschloss, 1 min warten oder so, dann geht's wieder.

    Werde nochmal Fehler auslesen und vorallem den grünen Stecker wie o.g. mal untersuchen.

    To be continued...

    "Tell him he's Wayne Gretzky." - Oilers coach Ted Green, after Shaun Van Allen suffered a concussion and couldn't remember who he was.

  • @Go4IT Deshalb bevorzuge ich i.d.R. die englischen Originalunterlagen, nicht nur hier sondern insbesondere auch in unserem gemeinsamen Berufsfeld. Fehler können immer drin sein, aber dann wenigstens nicht noch zusätzlich Übersetzungsfehler.

    Ich habe die englischen Pläne, und da wird immer ordentlich unterschieden zwischen der "Standard Washer Pump" und der "High Pressure Headlamp Washer Pump".

    Ein treuer Begleiter, ein ganz gewöhnlicher MK4 vFL Benziner, nix Ausgefallenes, einzig: es ist KEIN Turnier.

Jetzt mitmachen!

Sie haben noch kein Benutzerkonto auf unserer Seite? Registrieren Sie sich kostenlos und nehmen Sie an unserer Community teil!