Wenn die Abbildung Türverriegelungsschalter gleich sein soll dem Bedienteil in der Tür, dann muss ich am BCM nach der Sicherung F3 schauen. Im Schaltplan ist der Link Bus aussen und nicht wie bei meinem in der Mitte......
Dankeschön digdog ![]()
Um schreiben oder kommentieren zu können, benötigen Sie ein Benutzerkonto.
Sie haben schon ein Benutzerkonto? Melden Sie sich hier an.
Jetzt anmeldenHier können Sie ein neues Benutzerkonto erstellen.
Neues Benutzerkonto erstellenWenn die Abbildung Türverriegelungsschalter gleich sein soll dem Bedienteil in der Tür, dann muss ich am BCM nach der Sicherung F3 schauen. Im Schaltplan ist der Link Bus aussen und nicht wie bei meinem in der Mitte......
Dankeschön digdog ![]()
Sorry, habe ich übersehen
Ja, etwas irreführend die Bezeichnung, aber die 12V für die Fensterheberkonsole sind natürlich nicht ausschließlich für die Beleuchtung. Darin befindet sich Elektronik die auch etwas Strom braucht. In der BA ist die Sicherung bestimmt auch eher nur mit "Innenraumbeleuchtung" beschrieben (ich weiß es nicht, ich lese aus Prinzip keine BAs). Da kommt man also ohne Schaltplan eher nicht drauf. Allerding wäre, wenn die Sicherung hin ist, auch alles andere bei Dir mutmaßlich dunkel im Auto, das hättest Du sicher bemerkt?
Daher halte ich immer noch meine Wette => Kabelbruch am Steckkontakt bzw. in der Gummitülle. Gut für mich, das mir da bislang keiner folgen wollte, ist meine Quote höher ![]()
Ja, etwas irreführend die Bezeichnung, aber die 12V für die Fensterheberkonsole sind natürlich nicht ausschließlich für die Beleuchtung. Darin befindet sich Elektronik die auch etwas Strom braucht. In der BA ist die Sicherung bestimmt auch eher nur mit "Innenraumbeleuchtung" beschrieben (ich weiß es nicht, ich lese aus Prinzip keine BAs). Da kommt man also ohne Schaltplan eher nicht drauf. Allerding wäre, wenn die Sicherung hin ist, auch alles andere bei Dir mutmaßlich dunkel im Auto, das hättest Du sicher bemerkt?
Daher halte ich immer noch meine Wette => Kabelbruch am Steckkontakt bzw. in der Gummitülle. Gut für mich, das mir da bislang keiner folgen wollte, ist meine Quote höher
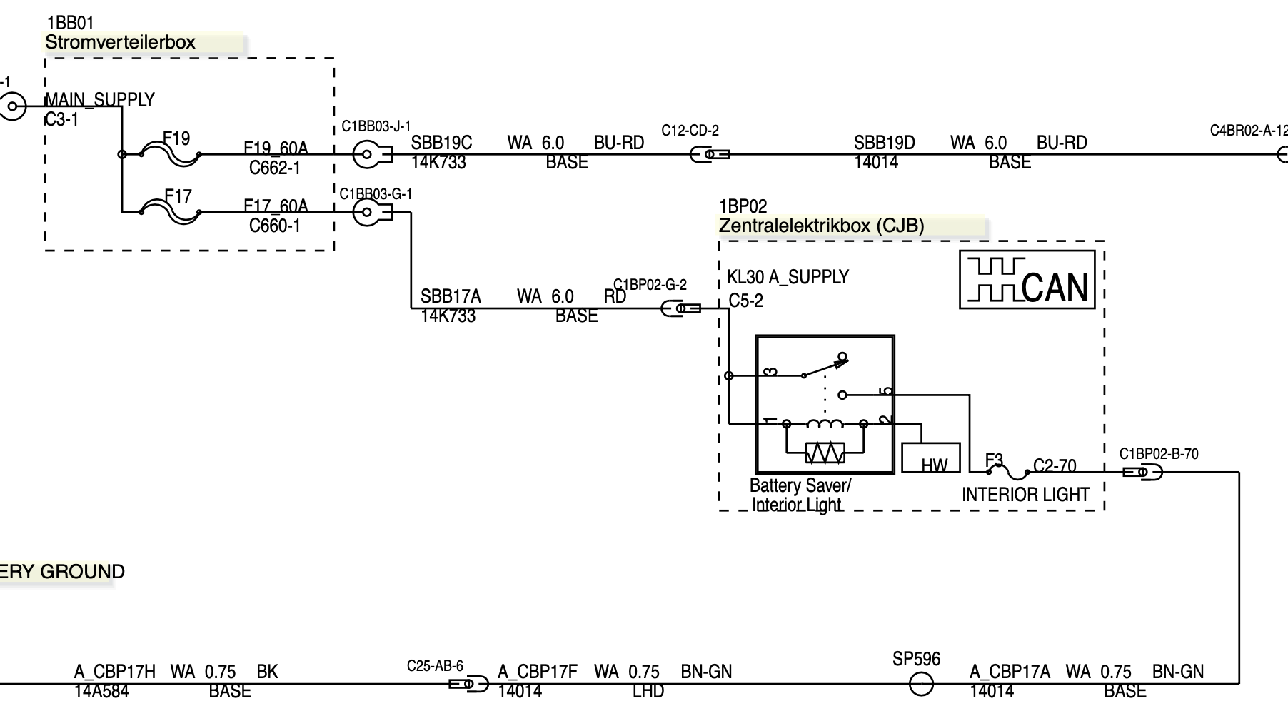
Also wenn ich ehrlich bin, hätte ich es mit der Innenraumbeleuchtung nicht in Verbindung gebracht. Hier habe ich mir auch den Schaltplan angeschaut und lese daraus Sicherung F3 am BCM. Schaue ich nun auf Sicherungstabelle vom BCM, lese ich unter F3, Gierraten-Sensor ESP, Versorgung des Fahrpedal mit 7.5A. Die Innenraumbeleuchtung soll auf F17 mit 10A liegen...... Ich schaue sie beide an. Die Innenraumbeleuchtung ist mir nicht aufgefallen, weil ich im Moment mit dem Mondeo nicht fahre, da ich nochmal am Fördermodul bei muss.
War eben nochmal am Auto und tatsächlich leuchtet die Innenraumbeleuchtung dunkel. Also ohne Funktion. Ich schaue morgen nach und berichte...
Die Innenraumbeleuchtung leuchte dunkel? Also sie leuchtet nicht?!
Die Innenraumbeleuchtung leuchte dunkel? Als sie leuchtet nicht?!
lese ich unter F3, Gierraten-Sensor ESP, Versorgung des Fahrpedal mit 7.5A.
Ja, weil der abgedruckte Schaltplan vom Facelift ist.
Du hast im Profil Baujahr 2009 angegeben, also vor-Facelift. Da ist das Prinzip dasselbe, aber es ist die Sicherung F17, gleiche Box.
Ja, weil der abgedruckte Schaltplan vom Facelift ist.
Stimmt das ist ein FL Plan , beim vFL wäre es die F17 in der Zentralelektrikbox.
Die Innenraumbeleuchtung leuchte dunkel? Als sie leuchtet nicht?!
Wollte einen kleinen Lacher einbauen .....
Ja, weil der abgedruckte Schaltplan vom Facelift ist.
Du hast im Profil Baujahr 2009 angegeben, also vor-Facelift. Da ist das Prinzip dasselbe, aber es ist die Sicherung F17, gleiche Box.
Stimmt das ist ein FL Plan , beim vFL wäre es die F17 in der Zentralelektrikbox.
Danke Euch beiden ![]()
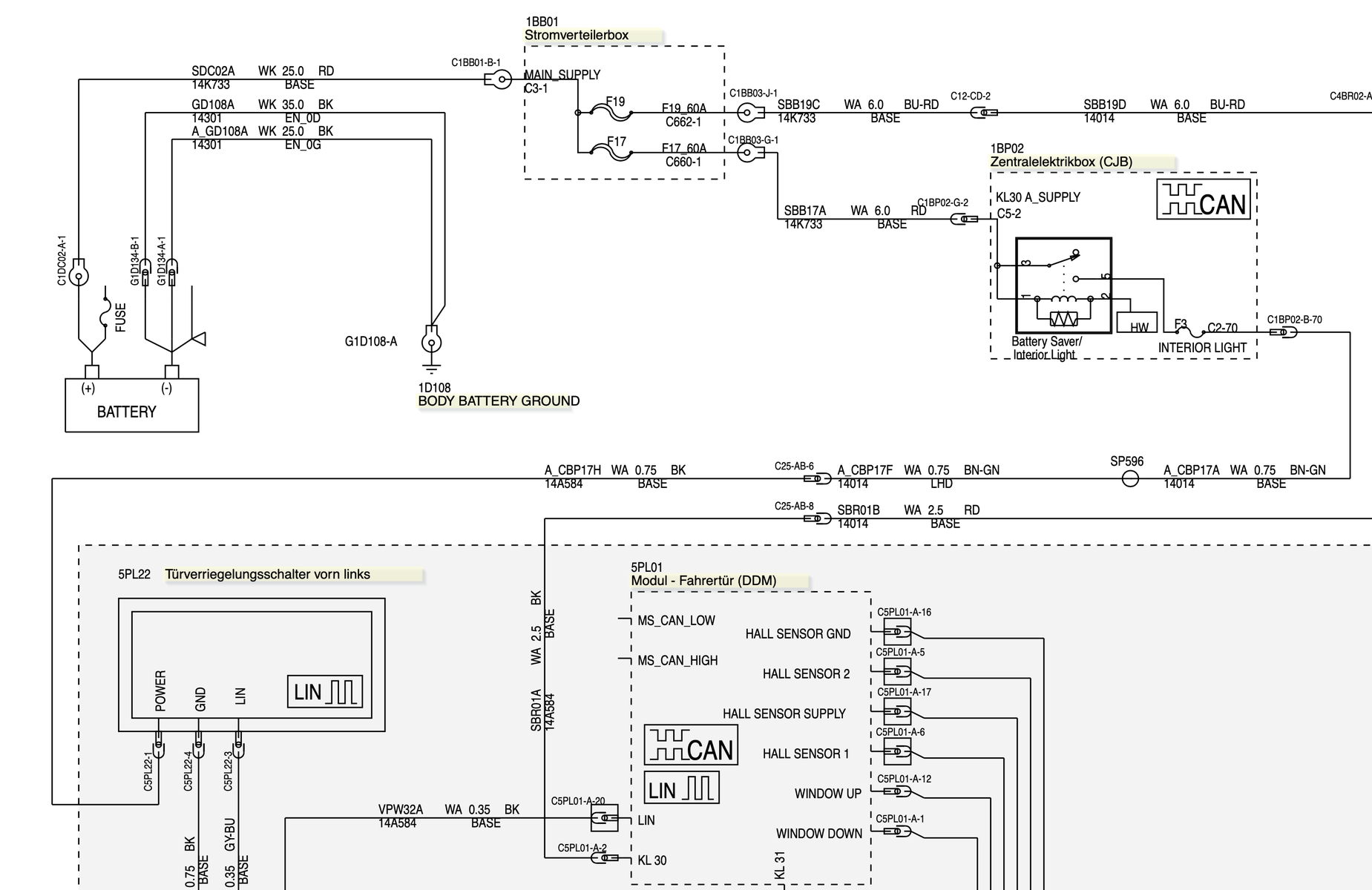
Der Türverriegelungstaster 5PL22 ist der kleine Entriegelungsknopf oben an der Tür, wo wirklich nur entriegelt wird, also nicht die Fensterheberkonsole.
Diesen gab's auch schon im vorFaceLift.
(Bei mir war die Beleuchtung dieses Tasters im vFL auch irgendwann ausgefallen und ich habe das Kabel dann aus der Beleuchtung der Fensterheberkonsole gespeist.)
Im ausgeliehenen Foto rot eingekreist:
Der Türverriegelungstaster 5PL22 ist der kleine Entriegelungsknopf oben an der Tür, wo wirklich nur entriegelt wird, also nicht die Fensterheberkonsole.
Wenn ich das richtig weiß, dann sitzt der 5PL22 am Verriegelungsantrieb hinten an der Tür. Der gezeigte Hebel (grüner Pfeil) hat lediglich eine mechanische Verbindung zum Antrieb (genau wie der Türöffnerhebel selbst), betätigt den dortigen Antrieb manuell und löst den 5PL22 für die anderen Türen aus. Somit kann die "eigene" Tür auch ohne Strom betätigt werden. Aber richtig, mit der Schaltereinheit hat das hier nichts zu tun.
Hallo zusammen,
nun wollte ich noch berichten, wie es denn nun weiter gegangen und geendet ist, oder hat. Kurz und schmerzlos, es war die Sicherung 17 für die Innenraumbeleuchtung warum das Bedienteil in der Fahrertür nicht mehr funktionierte..... Da muss man erst einmal drauf kommen. Nachdem ich dann alles wieder zusammen gebaut habe, habe ich noch meinen kleinen neuen Sicherungskasten für mein Fördermodul eingebaut und angeschlossen.
@ Go4IT, Du hast leider verloren ![]()
Vielen Dank nochmal für die Hilfe und vor allem die Schaltpläne ![]()
schöne sonnige Grüße, Marc
Ok, in dem Fall verliere ich gern, Dir zuliebe ![]()
Sie haben noch kein Benutzerkonto auf unserer Seite? Registrieren Sie sich kostenlos und nehmen Sie an unserer Community teil!