Alle Jahre wieder...
Ich habe die RC-Design (Typ RC17-757 W1) Felgen für die Winterräder:
Da waren auch Radmuttern mit dabei, die Originalen Ford von meinen Sommerrädern passen nicht, da ist der Kegel anders. Die sahen mal so aus:
und schon nach einem Winter dann so:
Klar, das ist nur Optik, aber es sieht scheiße aus und ich will ein paar vernünftige. Die Oberfläche ist einfach nur verzinkt gewesen und das Salz haben sie anlaufen lassen als wären sie verkokelt.
Wie finde ich nun "gute"? Im Netz bekomme ich erstmal auch nur welche die genauso aussehen wie meine als sie neu waren. Ich will aber nicht jedes Jahr neue kaufen... ![]()
Gibt es hier Empfehlungen bzw. Punkte die man beachten kann?
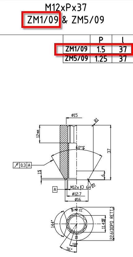
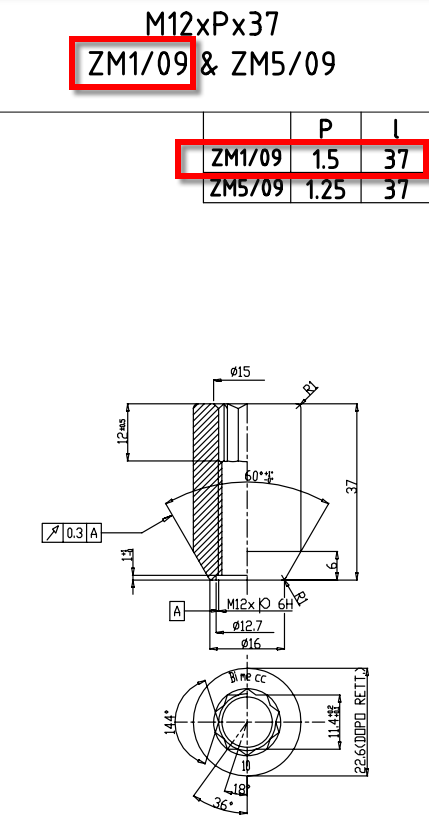
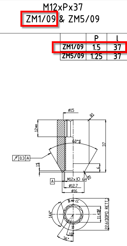
Die Abmessungen sind 19er Schlüsselweite, 24mm Kegelbund und 14mm M12-Gewindeöffnung, der Kegel müsste 60° sein.
