Elektrisch beheizbare Spritzwasserdüsen

  • Moin!

    Ich hatte mir vor ein paar Jahren elektrisch beheizbare Spritzwasserdüsen als Ersatz für die unbeheizten gekauft, wurde aber von meiner Werkstatt enttäuscht, weil die sagten, dafür wären keine Anschlüsse vorhanden.

    Code
    Artikel-ID 	1496434
    Artikel-Nr. 1708797
    2x Scheibenwaschdüsen (2 Stück) vorne Ford Focus / C-Max / Mondeo

    Im Wiki habe ich keinen passenden Artikel zu dem Thema finden können, aber beim Stöbern hier im Forum habe ich zumindest gelesen, dass die Anschlüsse vorhanden sein könnten.

    Kann mir da jemand auf die Sprüge helfen, wo die sein müssten und wie die aussehen oder vielleicht sogar ein Foto davon zeigen?

    Laut Handbuch müsste es im Motorraum-Sicherungskasten der Steckplatz F37 mit einer 7.5A Sicherung sein.
    Kann ich davon ausgehen, dass Anschlüsse vorhanden sind, wenn der Platz bestückt ist?

    Danke & Gruß,
    Max

    Mondeo BA7 (2013 Facelift) | 1.6l TDCi ECOnetic Start-Stop | DBV Tropez 17"

  • Laut Handbuch müsste es im Motorraum-Sicherungskasten der Steckplatz F37 mit einer 7.5A Sicherung sein.
    Kann ich davon ausgehen, dass Anschlüsse vorhanden sind, wenn der Platz bestückt ist?

    Nö, kannst Du nicht. Da kann durchaus ein "oversized" Kabelbaum verbaut sein und die Relais und Sicherungen sind nicht bestückt.

    Schau unter der Motorhaubenisolation nach, da wären die Kabel falls vorhanden.

    Gruß aus Erfurt

    Schon der dritte vierte Ford und der Fahrer wird nicht schlau draus!

  • Also bei meinem Trend von 2009 waren die Kabel da

  • Dafür muss nicht mal die Motorhaubendämmung runter.

    Die Kabel müssen schließlich erst mal darunter geführt sein, sprich die sollten am Motorhaubenscharnier entlang geführt sein. Siehst du dort also mehr als nur den Schlauch für das Wischwasser, weißt du bescheid.

  • Ich meine mich zu errinnern, dass damals als ich die Düsen getauscht habe, keine elektrischen Kabel unter der Abdeckung waren, aber im Motorraum, relativ nah beim Scharnier ein offener Stecker war.

    Wie gesagt, ich sehe mir das am Wochenende mal genauer an.

    Danke!

    Mondeo BA7 (2013 Facelift) | 1.6l TDCi ECOnetic Start-Stop | DBV Tropez 17"

  • Also bei meinem Trend von 2009 waren die Kabel da

    Beim Vorfacelift waren die beheizten Düsen bei den verschiedenen Ghia- und Titanium-Modellen serienmäßig. Anzunehmen dass Ford da aus Kostengründen nicht extra für wegen dieser fehlenden 2 Drähtchen für Ambiente und Trend einen Extrakabelbaum hat fertigen lassen. Zumal man bei diesen Versionen die beheizten Düsen gegen Aufpreis mitbestellen konnte.

    Bei Max Dralles Mondeo aus dem 2013er Baujahr waren die beheizten Düsen bereits ab Trend serienmäßig. Auch hier hat Ford vermutlich keinen Extrakabelbaum aus den genannten Gründen fertigen lassen. Zumal man auch hier die beheizten Düsen gegen Aufpreis ordern konnte.

    aber im Motorraum, relativ nah beim Scharnier ein offener Stecker war.

    Schau mal auf diesem Bild >>hier<<

    Da siehst du die Steckverbindung für die beheizten Waschdüsen im Bild rechts etwa über der Schraube vom Federbein auf der Beifahrerseite. Von da aus gehts in die eine Richtung zu den Düsen und in die andere direkt und ohne weitere Zwischenverbindung in den dicken Kabelbaum an der Spritzwand entlang und weiter zum Sicherungskasten im Motorraum auf der Fahrerseite.

    "Jetzt, wo ich weiß wie es geht, versteh ich auch die Bedienungsanleitung :thinking: "

    4 Mal editiert, zuletzt von Dermon4 (15. November 2024 um 16:01)

  • Das isser. :):thumbup:

    Du kannst ja folgendes machen. Schau ob die Sicherung F37 Motorraumbox vorhanden ist und wenn ja dann schau mittels Spannungsprüfer oder Multimeter nach ob an dem Stecker (ich glaube der hat Strom schon beim einschalten der Zündung) Spannung anliegt. Das sind einmal ein weißes und einmal ein schwarz-violettes Kabel. Das weiße sollte Strom führen. Das andere geht direkt an Masse.

    "Jetzt, wo ich weiß wie es geht, versteh ich auch die Bedienungsanleitung :thinking: "

  • Im Wiki habe ich keinen passenden Artikel zu dem Thema finden können

    Na, Grund genug das zu ändern, was meinst Du?! :)

    Habe ein Ziel vorbereitet https://mk4-wiki.denkdose.de/artikel/motorh…sen_nachruesten

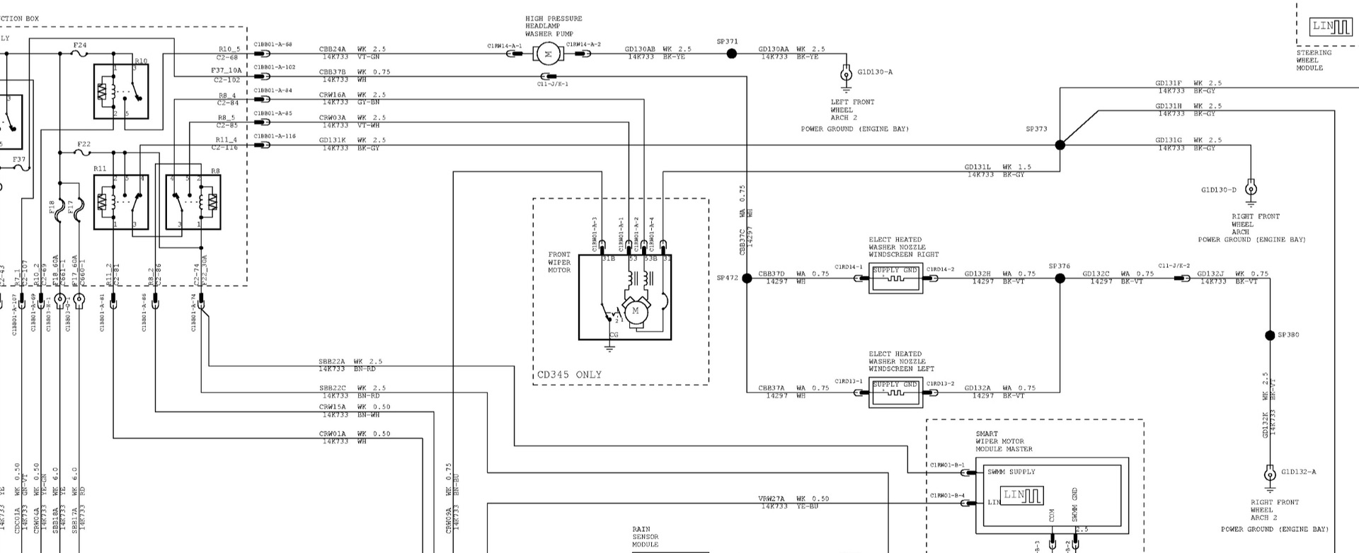
    Mit der Sicherung liegst Du schonmal richtig, die ist bei vFL und FL gleich. Der Schaltplan der Düsen ist folgender:

    Übrigens werden die Düsen dauerhaft bei Zündung an mit Strom versorgt, Sommer wie Winter. Daran musste ich mich anfangs auch erst gewöhnen, würde heutzutage sicher so nicht mehr konstruiert und ist der eher geringen Stromaufnahme der Düsen zuzuordnen,

    Der nötige Kabelstrang "14297" (für den FL z.B. "BG9T-14297-BA" mit Teilenummer 1704795) müsste im vFL "6G9T-14297-BF" Teilenummer "1545576" sein. Der verläuft, wie schon gesagt unterhalb der Dämmmatte der Motorhaube. Da werden Widerhakenclips am Kabelstrang sein die in vorhandene Löcher passen um ihn zu führen. Der Übergangsstecker zum Motorraum-Kabelstrang 14K733 ist der C11-J/K, den hattest Du ja auf dem Bild oben schon gesehen, mit den Schwarz-Violet/Weissen Leitungen. Dieser Stecker muss an der gezeigten Position wenigstens blind vorhanden sein, sonst müsstest Du ihn nachrüsten.


    Die Teilenummern der Düsen (links und rechts gleich) sind diese:

    • vFL-Variante (mit Punktstrahldüsen) => 1581310 "AM5117666BA" (original ab ca. 45€)
    • FL-Variante (mit Fächerdüse) => 1708797 (original ab ca. 32€)

    Warum ws da zwei unterschiedliche geben soll leuchtet mir grad nicht wirklich ein... auch der Preisunterschied ist merkwürdig bei optisch identischem Teil.

    "Lernen ist Erfahrung. Alles andere ist einfach nur Information."

    Albert Einstein

  • Ist es denn denkbar die Spritdüsen die eigentlich für den Focus sind einzubauen?

    Die gibt es mit Fächerdüsen, nicht Punktdüsen.

  • Moin Moin!

    Öhm... Danke, aber darf da jeder drin rum werkeln?
    Wenn ja, wie geht das?

    Ich hatte mir 2016 für meinen FL einen Satz mit zwei von diesen Fächerdüsen (1708797) für insgesamt knapp 34,- Euro gekauft.
    Nach dem Einbau habe ich unten in die Schlitze einen Tropfen Sekundenkleber gemacht, weil das Spritzbild sehr tief auf der Scheibe ansetzte.

    Nachher werde ich etwas Zeit haben, um unter die Motorhaube zu sehen und melde mich nochmal.

    Danke!

    Mondeo BA7 (2013 Facelift) | 1.6l TDCi ECOnetic Start-Stop | DBV Tropez 17"

  • So denn... :)

    Mondeo FL | Series 40 | 1.6 TDCi | ECOnetic Start-Stop | Baujahr 2013

    Die passende Buchse ist offenbar schon vorhanden und mit einer Kappe verschlossen:


    Auf der rechten Seite ist der Wasserschlauch verlegt:


    Im Sicherungskasten ist die F37 mit 7.5A bestückt (und die steckte da schon immer)


    Dann fehlt mir wohl nur das elektrische Kabel auf der linken Seite.

    Der nötige Kabelstrang "14297" müsste im vFL "6G9T14297BF" Teilenummer "1545576" sein.

    Eine Suche nach der Teilenummer bei Ford hat kein Suchergebnis gebracht.
    1.) ist das der Kabelstrang vom Motorraum zu den Spritzwasserdüsen?
    2.) ist beim FL derselbe verbaut?
    3.) weiß jemand, wo ich den oder eine kompatible Alternative bekommen kann?

    Danke!

    Mondeo BA7 (2013 Facelift) | 1.6l TDCi ECOnetic Start-Stop | DBV Tropez 17"

  • Öhm... Danke, aber darf da jeder drin rum werkeln?
    Wenn ja, wie geht das?

    Natürlich nicht, war eher der Aufruf zum Teamplay :) Also Du lieferst Bilder und ich klöpple alles ins Wiki.

    Damit wäre jetzt ja schonmal geklärt das es keine Fahrer/Beifahrerseite der Düsen gibt, sondern eine Version mit Punktstrahl (1581310) und eine mit Fächerstrahl (1708797)

    Perfekt, im Bild ist das zu sehen was ich erhofft hatte: Links der "Blindstecker". Hier kommt also der Kabelbaum für die Motorhaube rein. Damit brauchst Du alos nur nachrüsten. Z.B. von meinem Lieblingslieferranten https://www.der-ersatzteile-profi.de/search?w=1545576 (ca 45,- €)

    "Lernen ist Erfahrung. Alles andere ist einfach nur Information."

    Albert Einstein

  • Natürlich nicht, war eher der Aufruf zum Teamplay :) Also Du lieferst Bilder und ich klöpple alles ins Wiki.

    Schönes Ding! :thumbup:

    Ich habe die oben eingesetzten Bilder auch noch in höherer Auflösung. Sag gerne Bescheid, wie ich sie Dir zukommen lassen kann.

    Perfekt, im Bild ist das zu sehen was ich erhofft hatte: Links der "Blindstecker". Hier kommt also der Kabelbaum für die Motorhaube rein. Damit brauchst Du alos nur nachrüsten. Z.B. von meinem Lieblingslieferranten https://www.der-ersatzteile-profi.de/search?w=1545576 (ca 45,- €)


    Öhm... bist du dir sicher, das richtige Teil verlinkt zu haben? Da steht:

    Zitat

    Original Ford Kabelstrang - Scheibenwischermotor 1545576

    Ich brauche ja nur das Kabel, das vom Stecker am Scharnier entlang und dann unter der Motorhaubenabdeckung zu den Düsen geht.

    Danke!
    Max

    Mondeo BA7 (2013 Facelift) | 1.6l TDCi ECOnetic Start-Stop | DBV Tropez 17"

  • M.E. brauchst Du Finis 1704795, BJ-abhängig.

    Also das da: https://www.der-ersatzteile-profi.de/search?w=1704795

    Hat die gleiche bekloppte Bezeichnung.:dead:

    Da mußt Du Dich bei Ford aber dran gewöhnen. Was die Kinderarbeiter in Indien oder Bangladesh manchmal so übersertzen...:pillepalle:

    Gruß aus Erfurt

    Schon der dritte vierte Ford und der Fahrer wird nicht schlau draus!

  • Ich habe jetzt ein bisschen gestöbert und dabei eine noch andere Teilebezeichnung gefunden:

    Code
    BG9T-14297-BA

    Kann man das irgendwo verifizieren?

    Mondeo BA7 (2013 Facelift) | 1.6l TDCi ECOnetic Start-Stop | DBV Tropez 17"

Jetzt mitmachen!

Sie haben noch kein Benutzerkonto auf unserer Seite? Registrieren Sie sich kostenlos und nehmen Sie an unserer Community teil!